Curiosii for ever!: Car repair manuals for everyone.

Electrical Diagrams

Automatic Transmission Controls Schematics





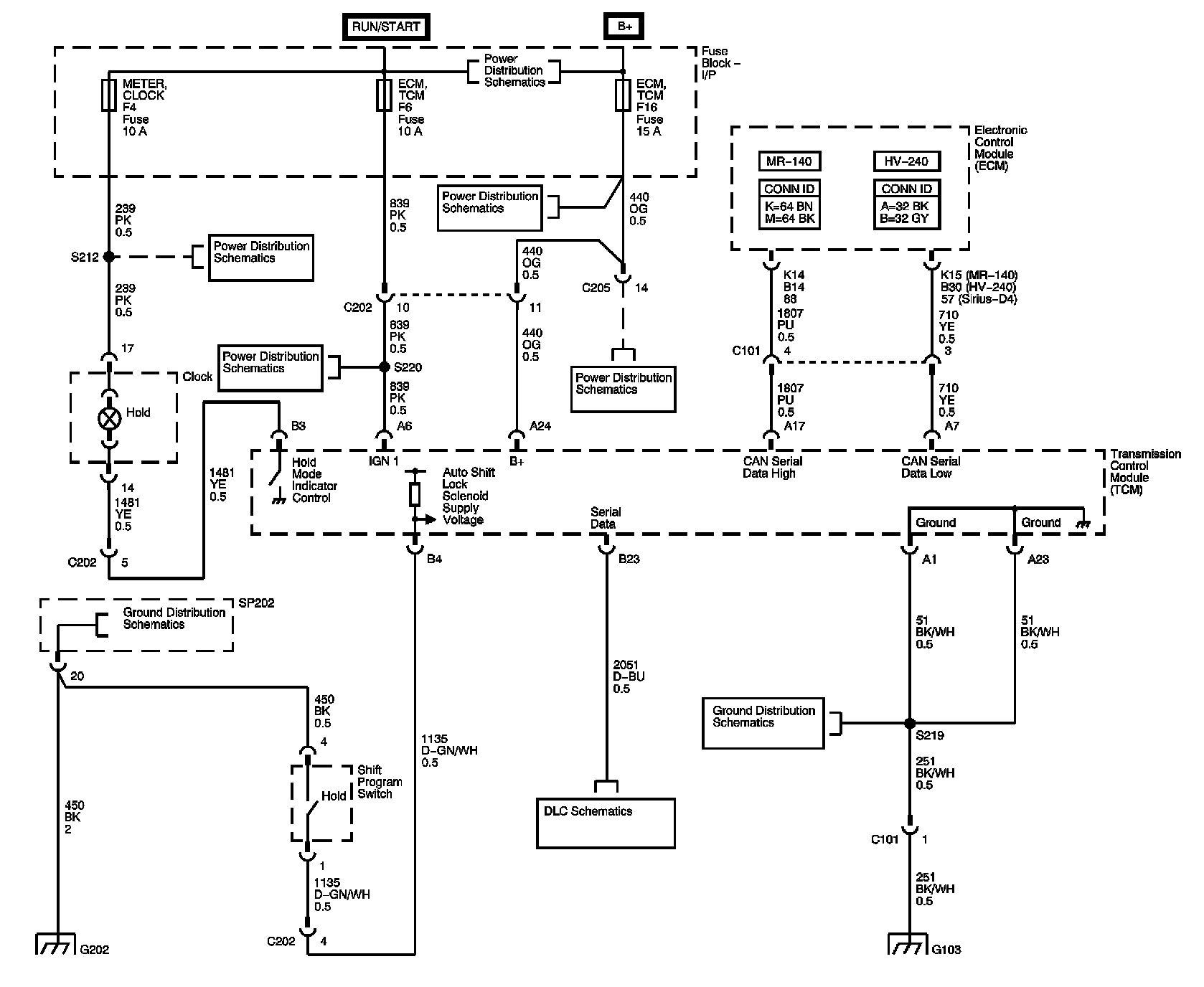
Module Power, Ground, Malfunction Indicator Lamp (MIL), Hold Lamp and Serial Data





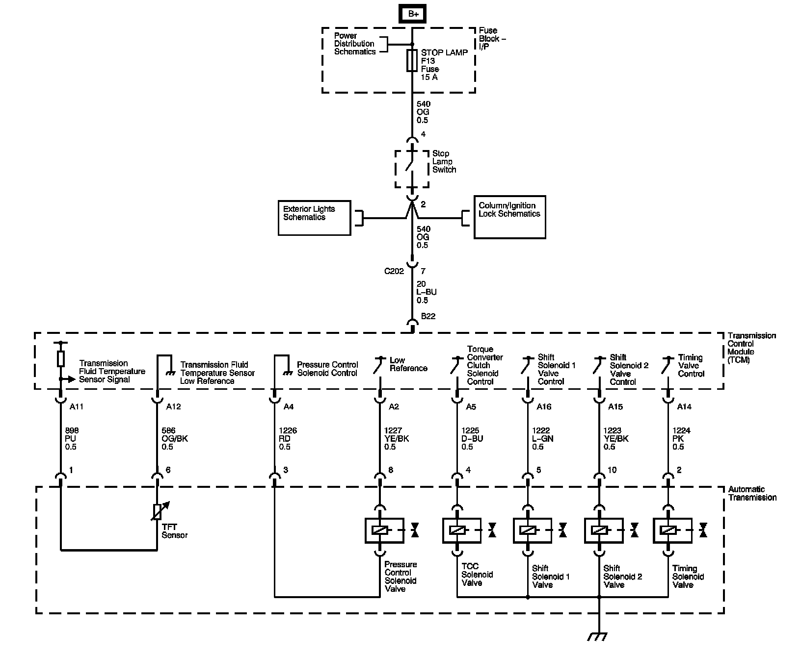
Torque Converter Clutch (TCC) and Transmission Solenoids





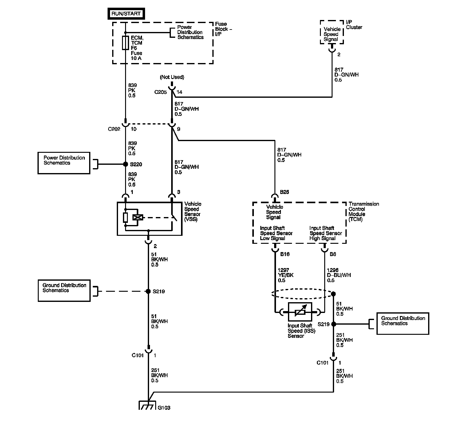
Vehicle Speed and Input Speed Sensors





Park/Neutral Position (PNP) Switch