Curiosii for ever!
: Car repair manuals for everyone.
Home
>>
Chevrolet
>>
2003
>>
Malibu V6-3.1L VIN J
>>
Repair and Diagnosis
>>
Powertrain Management
>>
Computers and Control Systems
>>
Data Link Connector
>>
Locations
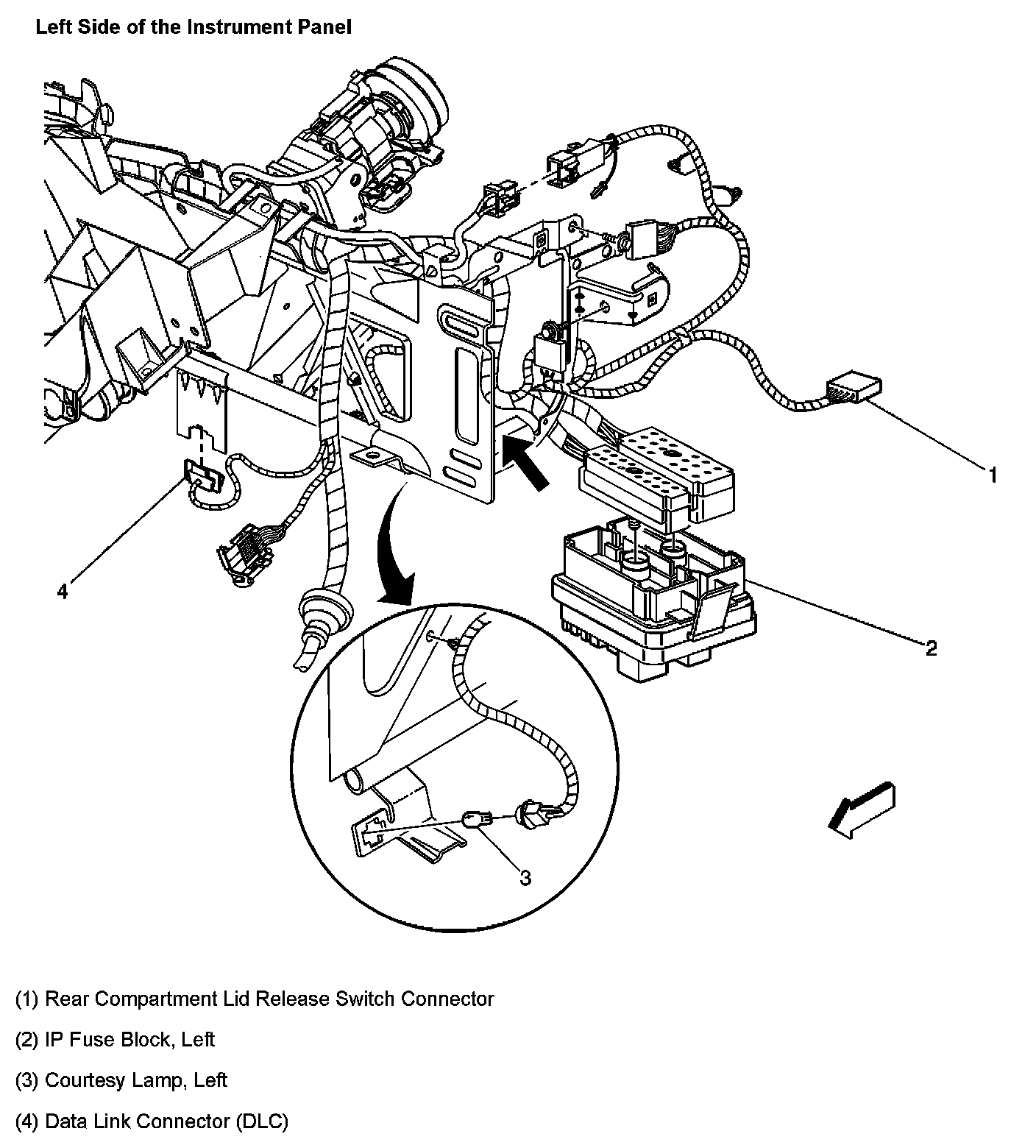
Data Link Connector: Locations
Left Side Of The Instrument Panel: