Curiosii for ever!: Car repair manuals for everyone.

Cruise Control Servo Cable: Service and Repair

CRUISE CONTROL CABLE REPLACEMENT

REMOVAL PROCEDURE
1. Open the hood.




2. Disconnect the cruise control cable tab (5) from the throttle body cam (6). Rotate the throttle to 1/4 open throttle in order to release the tab (5).
3. In order to release the cable (4), push the locating fitting inward and pull the unit free from the throttle bracket (1).




4. Remove the cable assembly from the module by turning the cable assembly 1/4 turn counterclockwise.




5. Remove the cable from the ribbon.




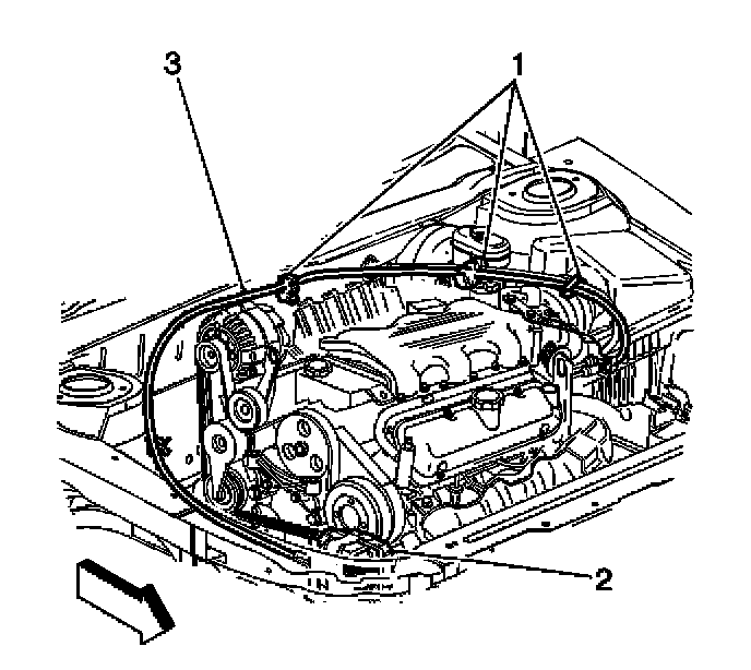
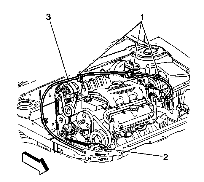
6. Remove the cable (3) from the retaining clips (1).

INSTALLATION PROCEDURE




1. Install the cable (3) to the retaining clips (1).




2. Install the cable to the ribbon.




3. Connect the cable assembly to the module by turning the cable assembly 1/4 turn clockwise.

IMPORTANT: Ensure that the ribbon does not become twisted when connecting the cable to the module.




4. Install the cruise control cable tab (5) to the throttle body cam (6).
5. Align the cruise control cable fitting (4) to the throttle body bracket (1). Snap the fitting into place. Ensure that the fitting is retained.
6. Close the hood.