Curiosii for ever!: Car repair manuals for everyone.

Generator Replacement

REMOVAL PROCEDURE
The Delphi CS130D (K43) 102 ampere generator is serviced as a complete unit only.
The Bosch NCB1 (KG7) 125 ampere generator is serviced as a complete unit only.
1. Disconnect the negative battery cable
2. Remove the drive belt from the generator.
3. Position aside the protective boot from the generator output BAT terminal for access.
4. Remove the generator output BAT terminal nut and remove the positive battery lead from the generator.




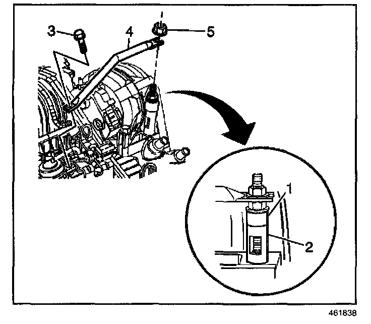
5. Remove the generator rear brace nut (5).
6. Remove the generator rear brace bolt (3).
7. Remove the generator rear brace (4).




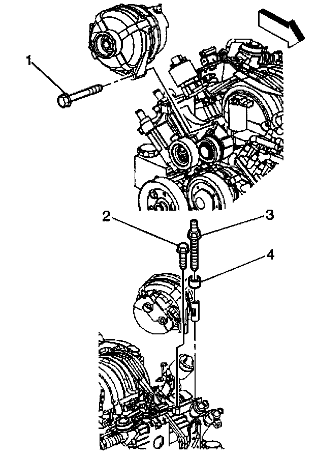
8. Remove the pivot bolt (1) from the generator.
9. Remove the stud (3) and bolt (2) from the generator.

IMPORTANT: Spacer (4) is only present if equipped with the Bosch NCB1 (KG7) 125 ampere generator.

10. Disconnect the electrical connector from the generator.
11. Remove the generator.

INSTALLATION PROCEDURE
1. Position the generator to the engine.
2. Connect the electrical connector to the generator.




3. Install the generator stud (3) and spacer (4) through the hole in the generator, finger tight.

IMPORTANT: Spacer (4) is only present if equipped with the Bosch NCB1 (KG7) 25 ampere generator.

4. Install the generator bolt (2) to the hole in generator, finger tight.
5. Install the pivot bolt (1) to the generator, finger tight.
6. Tighten the generator bolts in the following sequence:

NOTE: Refer to Fastener Notice in Service Precautions.

6.1. Tighten
Tighten the generator pivot bolt (1) to 50 N.m (37 lb ft).

6.2. Tighten
Tighten the generator stud (3) to 50 N.m (37 lb ft).

6.3. Tighten
Tighten the generator bolt (2) to 50 N.m (37 lb ft).

7. Install the positive battery lead and the generator output BAT terminal nut.

Tighten
Tighten the nut to 20 N.m (15 lb ft).

8. Install the protective boot on the generator output BAT terminal.




9. Install the generator rear brace (4).
10. Install the generator rear brace bolt (3).
11. Install the generator rear brace nut (5).
12. Tighten the generator bolts in the following sequence:

Tighten
1. Tighten the generator rear brace bolt (3) to 50 N.m (37 lb ft).
2. Tighten the generator rear brace nut (5) to 50 N.m (37 lb ft).

3. Install the drive belt.
4. Connect the negative battery cable.