Curiosii for ever!: Car repair manuals for everyone.

Crankshaft Position Sensor: Service and Repair

REMOVAL PROCEDURE




1. Disconnect the negative battery cable.

CAUTION: Refer to Battery Disconnect Caution in Service Precautions.

2. Raise the vehicle. Refer to Vehicle Lifting.

CAUTION: Refer to Vehicle Lifting Caution in Service Precautions.

3. Remove the starter.
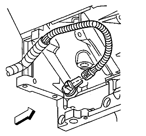
4. Disconnect the crankshaft position (CKP) sensor electrical connector.




5. Remove the CKP sensor retaining bolt.

IMPORTANT: Clean the area around the CKP before removal in order to avoid debris from entering the engine.

6. Remove the CKP sensor.

INSTALLATION PROCEDURE




1. Install the CKP sensor.
2. Install the CKP sensor retaining bolt.

NOTE: Refer to Fastener Notice in Service Precautions.

Tighten
Tighten the CKP sensor to 25 N.m (18 lb ft).




3. Connect the CKP sensor electrical connector.
4. Install the starter.
5. Lower the vehicle.
6. Connect the negative battery cable.
7. Program the transmitters. Refer to Transmitter Programming and to Transmitter Synchronization in Keyless Entry.
8. Perform the CKP System Variation Learn Procedure. Programming and Relearning