Curiosii for ever!: Car repair manuals for everyone.

Starter Motor: Service and Repair

REMOVAL PROCEDURE

IMPORTANT: The starter motor on this vehicle is NOT serviceable and must be replaced as a complete unit.




1. Disconnect the negative battery cable.
2. Raise and support the vehicle. Refer to Lifting and Jacking the Vehicle.
3. Remove the lower air deflector.
4. Remove the torque converter covers.
5. Remove the starter solenoid BAT terminal nut (8) and remove the positive battery cable (9) from the starter motor.
6. Remove the starter solenoid S terminal nut (7) and remove the starter solenoid wire (6) from the starter motor.




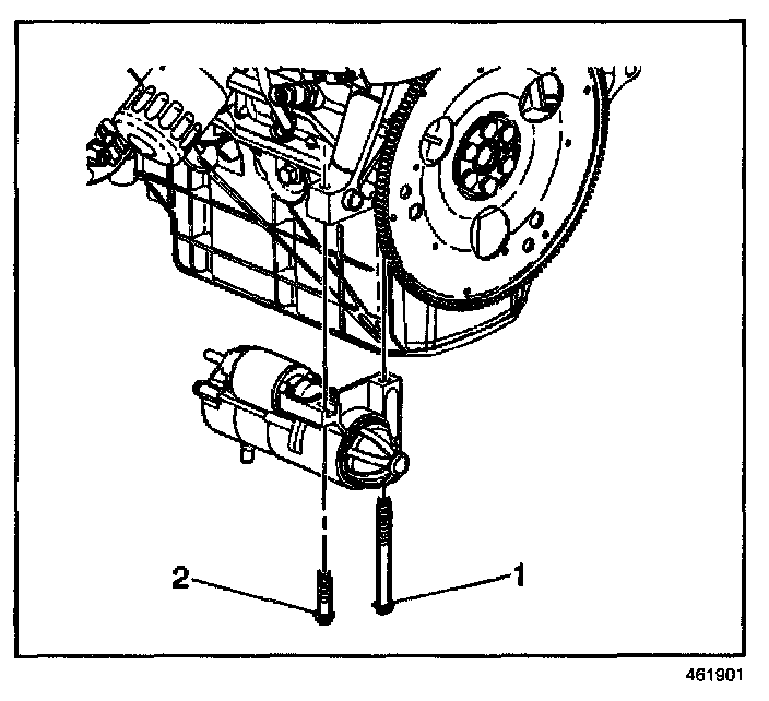
7. Remove the starter bolts (1,2) and remove the starter motor. Remove the shims, if necessary.

INSTALLATION PROCEDURE




1. The 3.4L uses a PG260 F1 starter motor. Verify that the correct starter motor is being installed.




2. Align the starter motor to the engine. Install any shims, if removed.

NOTE: Refer to Fastener Notice in Service Precautions.

3. Install the starter bolts (1,2) finger tight until seated.

Tighten
Tighten the starter bolts to 43 N.m (32 lb ft).




4. Install the positive battery cable (9) and install the solenoid BAT terminal nut (8) finger tight to the starter motor.
Install the starter solenoid wire (6) and install the starter solenoid S terminal nut (7) finger tight to the starter motor.

Tighten
^ Tighten the solenoid BAT terminal nut (8) to 10 N.m (89 lb in).
^ Tighten the starter solenoid S terminal nut (7) to 2.3 N.m (20.5 lb in).

5. Install the torque converter covers.
6. Install the lower air deflector.
7. Lower the vehicle.
8. Connect the negative battery cable.