Curiosii for ever!: Car repair manuals for everyone.

Engine Controls - Spark Knock/MIL ON/ DTC P0332 Set

File In Section: 06 - Engine/Propulsion System

Bulletin No.: 02-06-04-023A

Date: June, 2002

TECHNICAL

Subject:
Audible Spark Knock (Detonation), MIL Illuminated, DTC P0332 Set (Replace Rear Bank Knock Sensor and RTV Area Around Sensor)

Models:
1998-2002 Chevrolet Camaro, Corvette
1998-2002 Pontiac Firebird
with 5.7L Engine (VIN G - RPO LS1)
1999-2002 Chevrolet Silverado, Suburban, Tahoe
2002 Chevrolet Avalance
1999-2002 GMC Sierra, Yukon, Yukon XL
2002 Cadillac Escalade, Escalade EXT
with 4.8L, 5.3L or 6.0L Engine
(VINs V, T, Z, N, U - RPOS LR4, LM7, L59, L09, L04)

This bulletin is being revised to add Cadillac Escalade and Cadillac Escalade EXT to the Models. Please discard Corporate Bulletin Number 02-06-04-023 (Section 6 - Engine/Propulsion System).

Condition

Some customers may comment on a mild to severe engine ping (commonly referred to as spark knock), usually worse during acceleration and/or an illuminated MIL. Upon investigation, the technician may find DTC P0332 set.

Cause

This condition may be the result of corrosion of the rear bank knock sensor due to water intrusion into the sensor cavity. This condition is more apparent on vehicles in which customers frequently wash the engine compartment.

Correction

Replace the rear bank knock sensor and build a dam (wall) around the sensor using RTV to divert water away from the sensor. Use the procedure and part number listed.

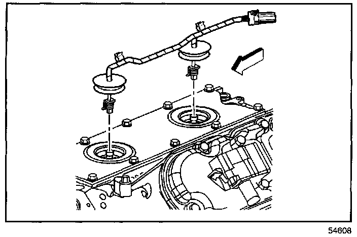
1. Remove the intake manifold. Refer to the Intake Manifold Replacement procedure in the Engine Controls sub-section of the appropriate Service Manual.





2. Remove the wiring harness assembly from the knock sensor.





3. Remove the rear bank knock sensor.

4. Install the new rear bank knock sensor.

Tighten

Tighten the knock sensor to 20 N.m (15 lb ft).

5. Install the wiring harness assembly to the knock sensor.





6. Apply a bead of RTV silicone sealant approximately 9 mm (3/8 in) wide and 6 mm (1/4 in) high along the outside edge of the ridge on the engine block valley cover around the rear bank knock sensor. DO NOT form a complete circle. Leave the rear section open as shown.

7. From the underside of the intake manifold, completely remove the rear intake manifold seal (foam material).

8. Install the intake manifold. Refer to the Intake Manifold Replacement procedure in the Engine Controls sub-section of the appropriate Service Manual.





Parts Information

Parts are currently available from GMSPO.

Warranty Information





For vehicles repaired under warranty, use the table as shown





DISCLAIMER