Curiosii for ever!: Car repair manuals for everyone.

Traction Control Module: Service and Repair

Accelerator and Servo Control Module (ASM) Replacement

Removal Procedure





1. Disconnect the fasteners on the lower sound insulator panel under the steering column.
2. Remove the lower sound insulator panel from the vehicle.
3. For vehicles equipped with a manual transmission, remove the left side kick panel.
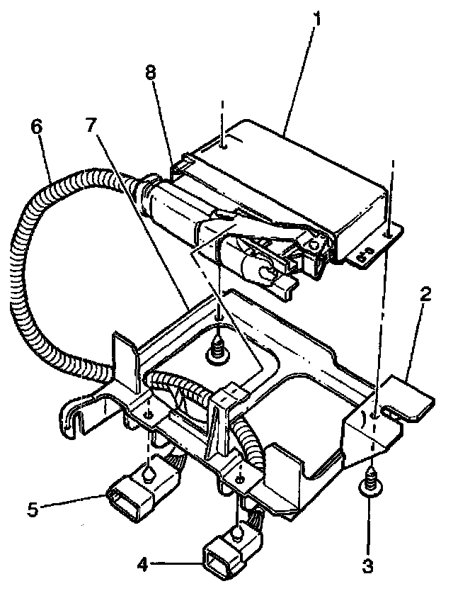
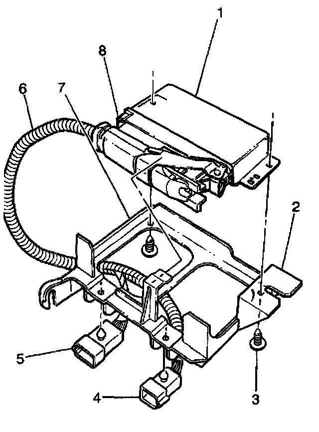
4. Remove the bolt attaching the ASM bracket (2) to the upper I/P.
5. Remove the push-in retainer attaching the ASM bracket (2) to the side wall.
6. Remove the ASM bracket assembly (1,2) from the mounting place.
7. Disconnect the ASM harness connector (4,5).
8. Remove the mounting screws (3) which secure the ASM (1) to the ASM bracket (2).
9. Remove the ASM and the ASM bracket from the vehicle.

Installation Procedure





1. Install the ASM (1) to the ASM mounting bracket (2).
2. Install the ASM bracket screws (3).
3. Connect the ASM harness connector (4,5).
4. Install the ASM bracket assembly (1,2) in the mounting place.
5. Install the push-in retainer attaching the ASM bracket to the side wall.
6. Install the bolt attaching the ASM bracket to the upper I/P.
7. For vehicles equipped with a manual transmission, install the left side kick panel.
8. Install the lower sound insulator panel in the vehicle.
9. Install the fasteners to the lower sound insulator panel under the steering column.