Curiosii for ever!: Car repair manuals for everyone.

Oil Pressure Sensor: Service and Repair

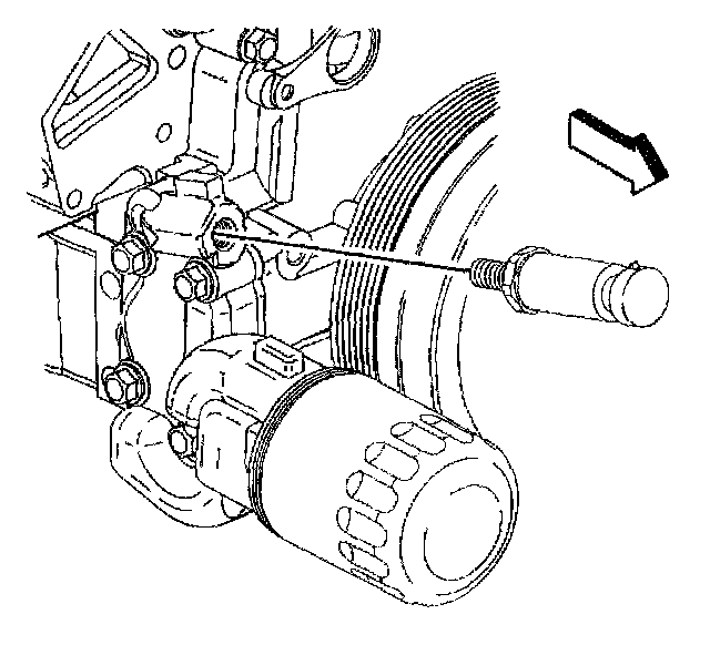
Engine Oil Pressure Sensor and/or Switch Replacement

Removal Procedure





1. Disconnect oil pressure sensor electrical connector (2).





2. Remove the oil pressure sensor.

Installation Procedure

Notice: Refer to Fastener Notice in Service Precautions.





1. Install the oil pressure sensor.
^ Tighten the oil pressure sensor to 16 Nm (12 ft. lbs.).





2. Connect oil pressure sensor electrical connector (2).