Fuel Tank Pressure Sensor: Service and Repair
REMOVAL PROCEDURE1. Remove the fuel tank.
2. Remove the electrical connector from the fuel tank pressure (FTP) sensor.
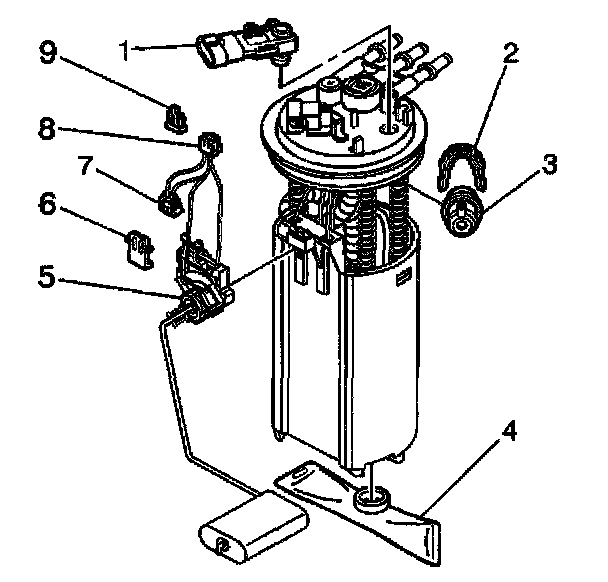
3. Remove the fuel tank pressure sensor (1) from the modular fuel sender.
INSTALLATION PROCEDURE
1. Install the new fuel tank pressure sensor (1) to the modular fuel sender.
2. Connect the electrical connector to the fuel tank pressure sensor.
3. Reinstall the fuel tank.