Curiosii for ever!
: Car repair manuals for everyone.
Home
>>
Chevrolet
>>
2002
>>
Camaro V6-3.8L VIN K
>>
Repair and Diagnosis
>>
Diagrams
>>
Exploded Views
>>
Manual Transmission/Transaxle
Manual Transmission/Transaxle
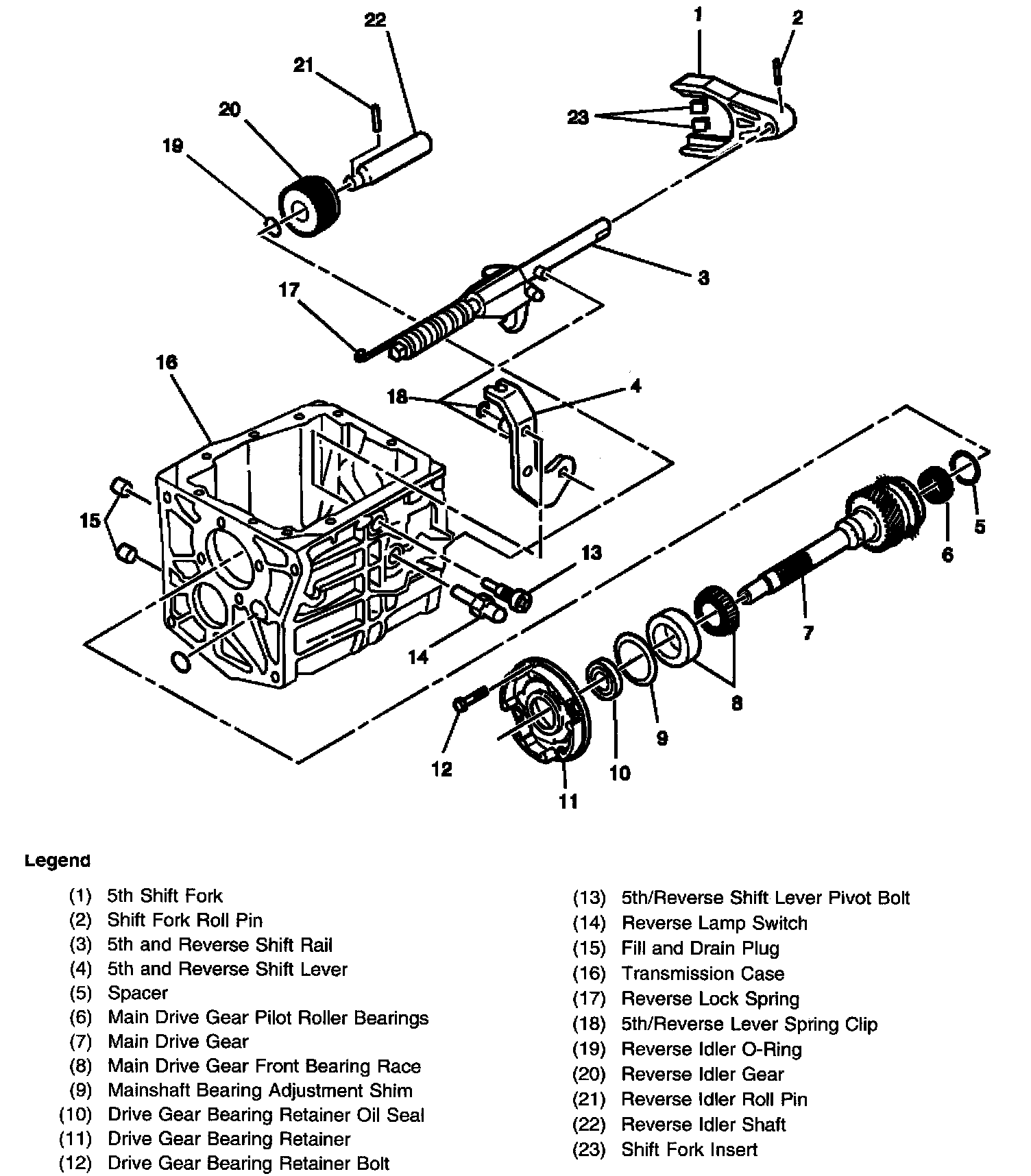
Transmission Case Cover and Shift Fork Assembly
Transmission Case (1 of 3)
Transmission Case (2 of 3)
Transmission Case (3 of 3)
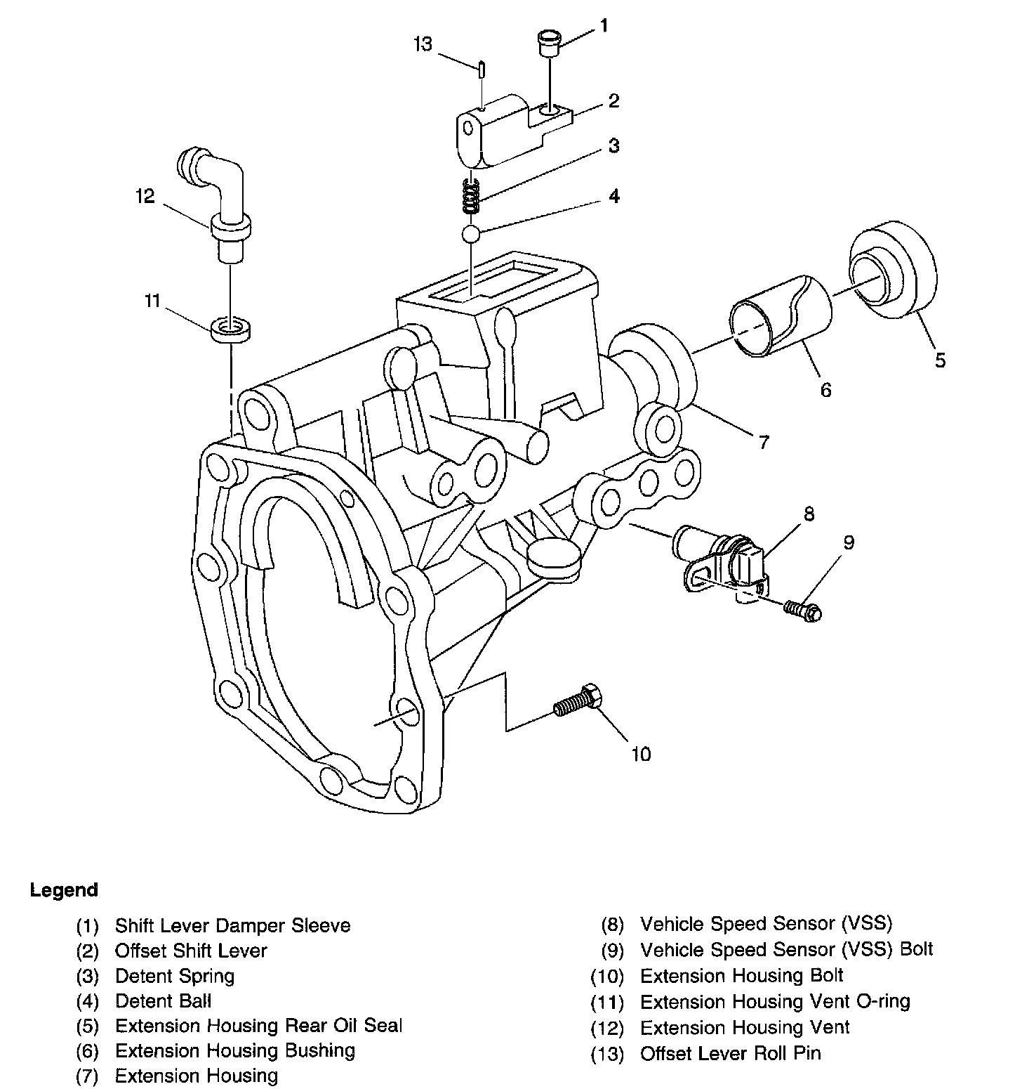
Extension Housing