Curiosii for ever!
: Car repair manuals for everyone.
Home
>>
Chevrolet
>>
2001
>>
Metro L4-079 1.3L VIN 2 MFI
>>
Repair and Diagnosis
>>
Diagrams
>>
Electrical Diagrams
>>
Power Locks
>>
Power Door Lock Control Module
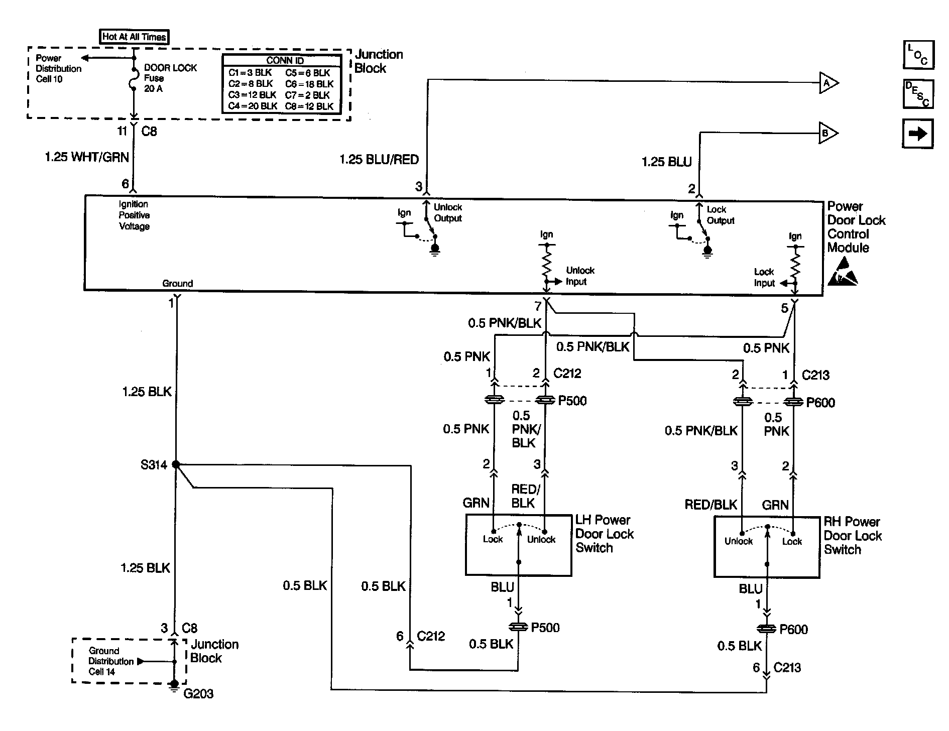
Power Door Lock Control Module
Door Lock/Indicator Schematics: Power Door Lock Control Module: