Curiosii for ever!: Car repair manuals for everyone.

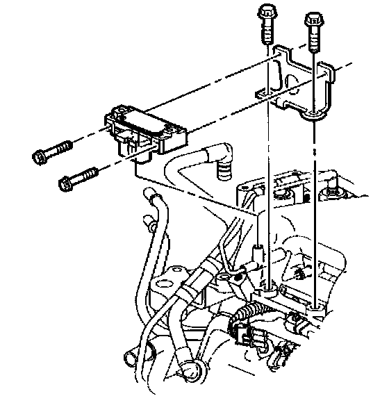
Manifold Pressure/Vacuum Sensor: Service and Repair




REMOVAL PROCEDURE
1. Turn OFF the ignition.
2. Disconnect the MAP sensor from the bracket.
3. Disconnect the MAP inlet vacuum hose.
4. Disconnect the MAP sensor electrical connector.

INSTALLATION PROCEDURE
1. Connect the MAP sensor electrical connector.
2. Connect the inlet vacuum hose.
3. Position the MAP sensor to bracket and drive bolt/screws securely seated and not stripped.