Curiosii for ever!: Car repair manuals for everyone.

Generator Replacement

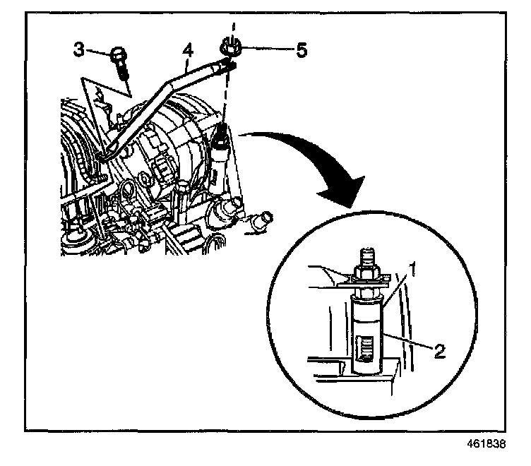
REMOVAL PROCEDURE
The Delphi CS 130D (K43) 102 ampere generator is serviced as a complete unit only.
The Bosch NCB1 (KG7) 125 ampere generator is serviced as a complete unit only.

CAUTION: Refer to Battery Disconnect Caution in Service Precautions.




1. Disconnect the negative battery cable.
2. Remove the drive belt from the generator.
3. Position aside the protective boot from the generator output BAT terminal for access.
4. Remove the generator output BAT terminal nut and remove the positive battery lead from the generator.
5. Remove the generator rear brace nut (5).
6. Remove the generator rear brace bolt (3).
7. Remove the generator rear brace (4).




8. Remove the pivot bolt (1) from the generator.

IMPORTANT: Spacer (4) is only present if equipped with the Bosch NCB1 (KG7) 125 ampere generator.

9. Remove the stud (3) and bolt (2) from the generator.
10. Disconnect the electrical connector from the generator.
11. Remove the generator.

INSTALLATION PROCEDURE




1. Position the generator to the engine.
2. Connect the electrical connector to the generator.

IMPORTANT: Spacer (4) is only present if equipped with the Bosch NCB1 (KG7) 125 ampere generator.

3. Install the generator stud (3) and spacer (4) through the hole in the generator, finger tight.
4. Install the generator bolt (2) to the hole in generator, finger tight.
5. Install the pivot bolt (1) to the generator, finger tight.

NOTE: Refer to Fastener Notice in Service Precautions.

6. Tighten the generator bolts in the order described. The following is a mandatory torque sequence:

6.1. Tighten the generator pivot bolt (1).

Tighten
Tighten the generator pivot bolt (1) to 50 N.m (37 lb ft).

6.2. Tighten the generator stud (3).

Tighten
Tighten the generator stud (3) to 50 N.m (37 lb ft).

6.3. Tighten the generator bolt (2).

Tighten
Tighten the generator bolt (2) to 50 N.m (37 lb ft).




7. Install the positive battery lead and the generator output BAT terminal nut.

Tighten
Tighten the generator output BAT terminal nut to 20 N.m (15 lb ft).

8. Install the protective boot on the generator output BAT terminal.
9. Install the generator rear brace (4).
10. Finger start the generator rear brace bolt (3).
11. Finger start the generator rear brace nut (5).
12. Tighten the generator bolts in the order described. The following is a mandatory torque sequence:

Tighten
12.1. Tighten the generator rear brace bolt (3) to 50 N.m (37 lb ft).
12.2. Tighten the generator rear brace nut (5) to 50 N.m (37 lb ft).

13. Install the drive belt.
14. Connect the negative battery cable.

"For the description of RPO code(s) shown in this article or any of the images therein, refer to the RPO code list found at the Vehicle/Application And ID." RPO Codes