Curiosii for ever!
: Car repair manuals for everyone.
Home
>>
Chevrolet
>>
2001
>>
Impala V6-3.4L VIN E
>>
Repair and Diagnosis
>>
Relays and Modules
>>
Relays and Modules - Restraints and Safety Systems
>>
Air Bag Control Module
>>
Locations
>>
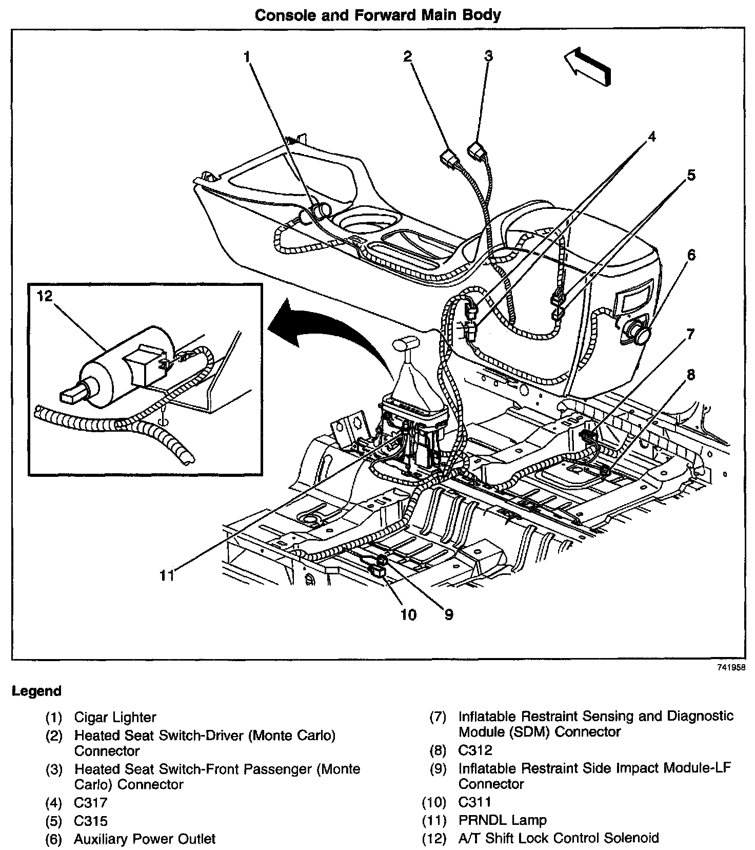
Connector Locations
Connector Locations
Locations View: