Curiosii for ever!: Car repair manuals for everyone.

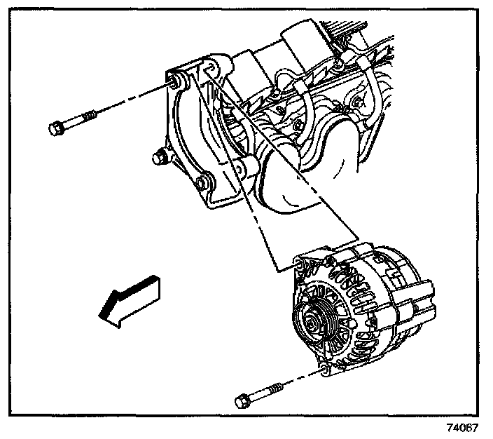
Generator Replacement

REMOVAL PROCEDURE

CAUTION: Refer to Battery Disconnect Caution in Service Precautions.




1. Remove the accessory drive belt.
2. Disconnect the negative battery cable.




3. Disconnect the generator electrical connector (1).
4. Remove the engine harness terminal from the generator:
^ Slide the boot back along the cable.
^ Remove the engine harness cable nut (3).
^ Remove the engine harness terminal from the stud.




5. Remove the generator bolts and generator.

INSTALLATION PROCEDURE.




1. Install the generator.

NOTE: Refer to Fastener Notice in Service Precautions.

2. Install the generator bolts.

Tighten
Tighten the generator bolts to 50 N.m (37 lb ft).




3. Install the engine harness terminal to the generator:
^ Install the engine harness terminal to the stud.
^ Install the engine harness cable nut (3).

Tighten
Tighten the engine harness cable nut to 13 N.m (10 lb ft).

^ Slide the boot over the generator stud.
4. Connect the generator electrical connector (1).




5. Connect the negative battery cable.
6. Install the accessory drive belt.