Curiosii for ever!: Car repair manuals for everyone.

Crankshaft Position Sensor: Service and Repair

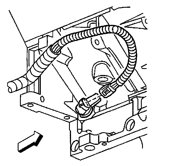
REMOVAL PROCEDURE

CAUTION: Refer to Battery Disconnect Caution in Service Precautions




1. Disconnect the negative battery cable.

CAUTION: Refer to Vehicle Lifting Caution in Service Precautions.

2. Raise the vehicle. Refer to Lifting and Jacking the Vehicle.
3. Remove the starter.
4. Disconnect the crankshaft position (CKP) sensor electrical connector.

IMPORTANT: Clean the area around the CKP before removal in order to avoid debris from entering the engine.




5. Remove the CKP sensor retaining bolt.
6. Remove the CKP sensor.

INSTALLATION PROCEDURE




1. Install the CKP sensor.

NOTE: Refer to Fastener Notice in Service Precautions.

2. Install the CKP sensor retaining bolt.

Tighten
Tighten the CKP sensor to 25 N.m (18 lb ft).




3. Connect the CKP sensor electrical connector.
4. Install the starter.
5. Lower the vehicle.
6. Connect the negative battery cable.
7. Perform the idle learn procedure. Refer to Idle Learn Procedure.
8. Program the transmitters. Refer to Transmitter Programming and to Transmitter Synchronization in Keyless Entry.
9. Perform the CKP System Variation Learn Procedure. Refer to CKP System Variation Learn Procedure. Programming and Relearning