Curiosii for ever!
: Car repair manuals for everyone.
Home
>>
Chevrolet
>>
2000
>>
Monte Carlo V6-3.4L VIN E
>>
Repair and Diagnosis
>>
Diagrams
>>
Electrical Diagrams
>>
Cruise Control
>>
Cruise Control Module
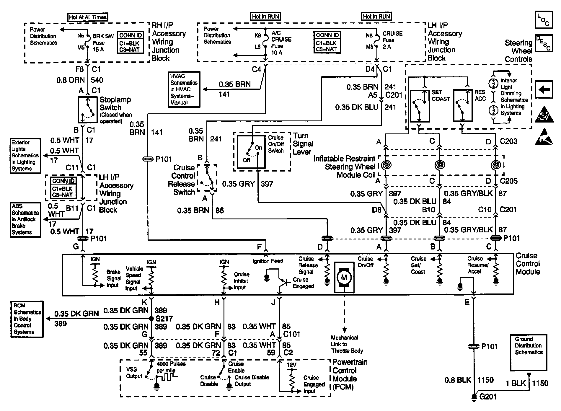
Cruise Control Module
Cruise Control Schematics: