Curiosii for ever!: Car repair manuals for everyone.

Underhood Fuse Block Replacement

UNDERHOOD FUSE BLOCK REPLACEMENT

REMOVAL PROCEDURE

CAUTION: Refer to Battery Disconnect Caution in Service Precautions.




1. Disconnect the negative battery cable from the battery.
2. Disconnect the positive cable from the battery.
3. Disconnect the air inlet.
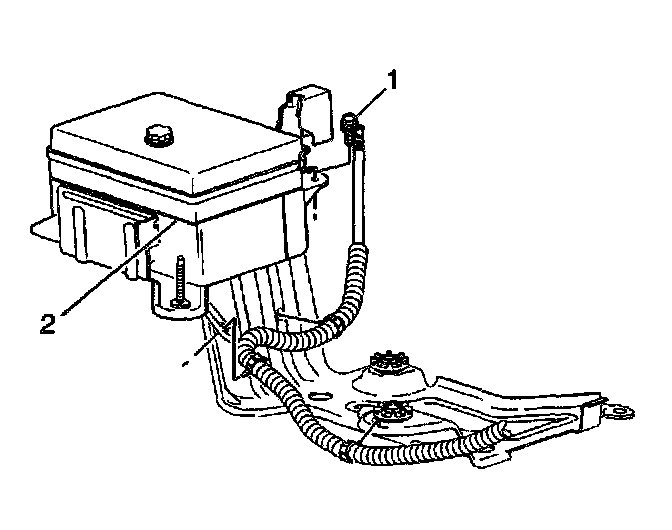
4. Remove the cover from the underhood junction block (2) and the battery cable (1).
5. Remove the splice pack from the inner fender.
6. Pull the underhood junction block out of the bracket and rotate clockwise 180 degrees.
7. Unsnap the bottom cover.
8. Remove the connectors from the underhood junction block.
9. Remove the underhood junction block.

INSTALLATION PROCEDURE




1. Install the underhood junction block.
2. Install the connectors to the underhood junction block.
3. Snap the bottom cover.
4. Rotate counterclockwise 180 degrees. Push the underhood junction block into the bracket.
5. Splice the pack to the inner fender.
6. Install the battery cable (1) and cover (2) to the underhood junction block.
7. Connect the air inlet.
8. Connect the positive cable to the battery.

NOTE: Refer to Fastener Notice in Service Precautions.

9. Connect the negative battery cable to the battery.

Tighten
Tighten the bolts to 15 N.m (11 lb ft).