Curiosii for ever!
: Car repair manuals for everyone.
Home
>>
Chevrolet
>>
2000
>>
Malibu V6-3.1L VIN J
>>
Repair and Diagnosis
>>
Diagrams
>>
Electrical Diagrams
>>
Cruise Control
>>
Cruise Control Schematics
>>
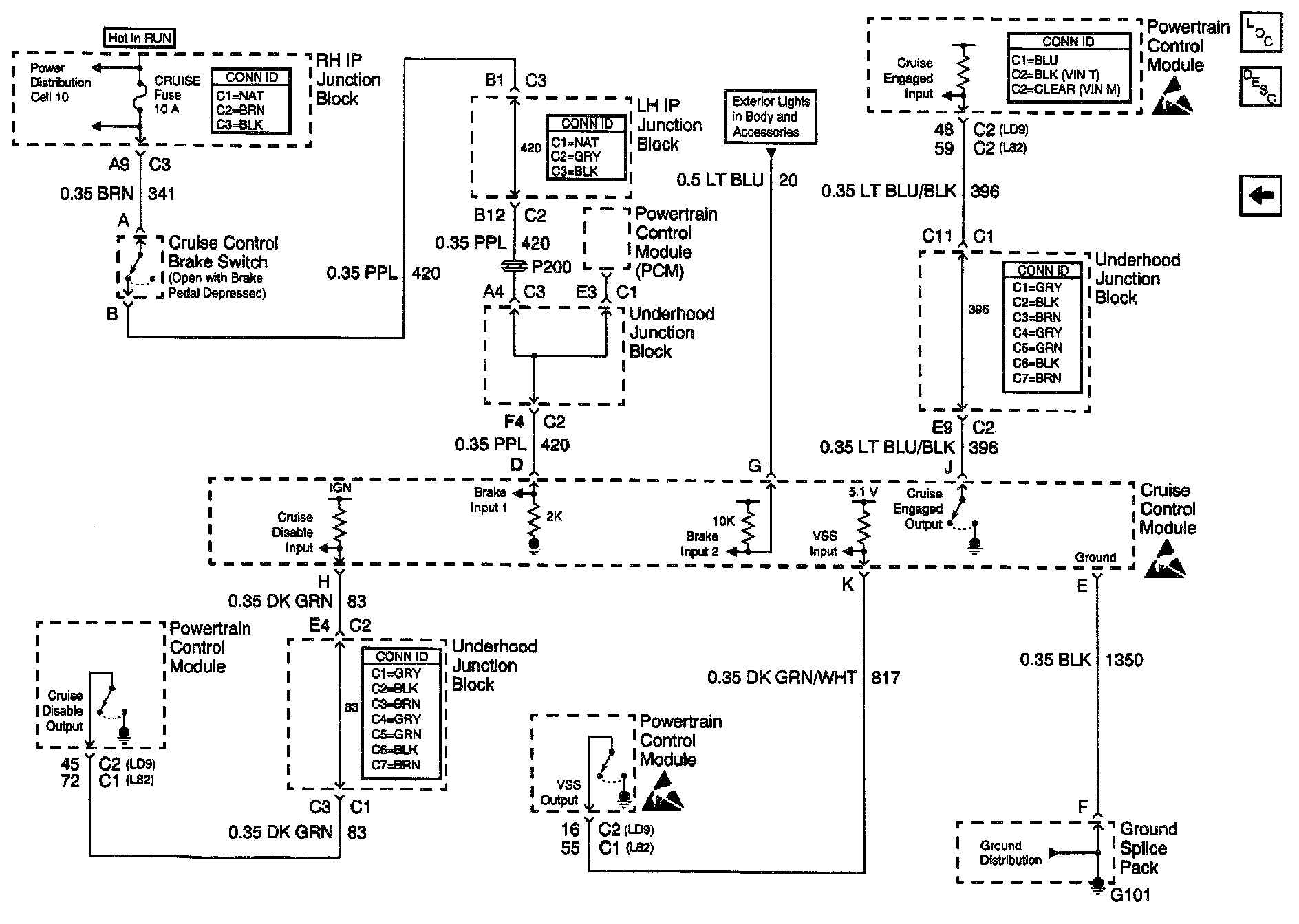
Cruise Control Module
Cruise Control Module
Cruise Control Schematics: Cruise Control Module: