Curiosii for ever!: Car repair manuals for everyone.

Alarm Module: Service and Repair




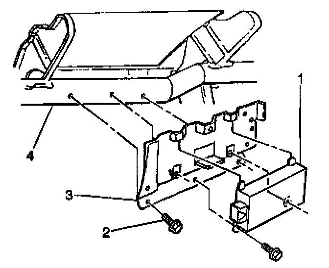
REMOVAL PROCEDURE
1. Remove the right side instrument panel insulator.
2. Remove the instrument panel compartment.
3. Remove the theft deterrent module bracket mounting bolts (2).
4. Remove the theft deterrent module bracket from the cross car beam (4).
5. Remove the theft deterrent module mounting bolts from the bracket (3).
6. Remove the theft deterrent module from the bracket.
7. Disconnect the electrical connector from the module.

INSTALLATION PROCEDURE
1. Connect the electrical connector to the module.
2. Slide the upper portion of the module into the bracket slots.

NOTE: Refer to Fastener Notice in Service Precautions.

3. Install the theft deterrent module bolts to the bracket (3).

Tighten
Tighten the theft deterrent module bolts to 3 N.m (27 lb in)

4. Install the theft deterrent module bracket to the cross car beam (4).
5. Install the theft deterrent bracket mounting bolts (2).

Tighten
Tighten the bolts to 3 N.m (27 lb in).

6. Install the instrument panel compartment.
7. Install the right side instrument panel insulator.