Curiosii for ever!: Car repair manuals for everyone.

Housing Assembly HVAC: Service and Repair

HVAC MODULE ASSEMBLY REPLACEMENT

REMOVAL PROCEDURE




1. Recover the refrigerant. Service and Repair
2. Disable the SIR system. Refer to Disabling the SIR System in SIR.

CAUTION: Refer to Battery Disconnect Caution in Service Precautions.

3. Disconnect the negative battery cable.
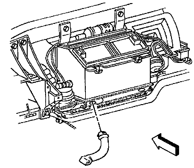
4. Remove the battery.
5. Remove the battery heat shield.
6. Drain the cooling system. Refer to Draining and Filling Cooling System in Cooling System.
7. Remove the engine intake manifold.
8. Remove the nut retaining the heater pipe bracket to the dash panel.
9. Reposition the heater pipe bracket.




10. Remove the heater pipe to heater core retaining bolt.

IMPORTANT: Be sure to cap or plug the open heater pipe assembly and the heater core to prevent contamination.

11. Disconnect the heater pipe assembly from the heater core, allow any remaining coolant to drain, discard the seal washers and cap or plug the heater pipe assembly and the heater core to prevent contamination.




12. Remove the accumulator hose to evaporator retaining bolt.

IMPORTANT: Cap or tape the open accumulator hose, evaporator tube - rear and the evaporator immediately.

13. Disconnect the accumulator hose and the evaporator tube - rear from the evaporator, discard the O-ring seals and cap or tape the hose end, the tube end and the evaporator to prevent contamination.




14. Remove the evaporator and HVAC module drain tube from the HVAC module.




15. Remove the console.
16. Remove the IP accessory trim plate.
17. Remove the IP passenger compartment.
18. Remove the RH lower insulator panel.
19. Remove the driver knee bolster trim panel.
20. Remove the LH lower insulator panel.
21. Remove the IP upper trim pad.
22. Remove the Instrument Panel Cluster (IPC) to steering column bracket retaining screws.
23. Reposition the IPC to allow room for the HVAC module to be removed.




24. Remove the LH side window defogger outlet duct - lower.
24.1. Remove the push-in retainer.
24.2. Use a twisting motion to release the defogger outlet duct - Glower from the windshield defroster duct, then from the defogger outlet duct - upper.




25. Remove the inside air temperature sensor aspirator duct.
25.1 Depress the duct retaining tab and remove the duct from the ignition switch housing bracket.
25.2. Use a twisting motion to release the duct from the duct muffler.




26. Remove the inside air temperature sensor aspirator duct muffler.
Use a twisting motion to release the duct muffler.




27. Disconnect the DRL sensor electrical connector from the LH side of the windshield defroster duct, if equipped.
28. Disconnect the electrical connector from the LH temperature valve electric actuator.




29. Remove the IP center support bracket and the ignition switch housing bracket.
30. Remove the LH floor air outlet duct retaining screws.
31. Remove the floor air outlet duct.




32. Remove the LH floor air outlet duct - rear. Rotate the duct 1/4 turn clockwise to release.




33. Remove the RH side window defogger outlet duct - lower.
33.1. Depress the defogger outlet duct - lower retaining tabs and release the duct from the passenger SIR bracket.
33.2. Use a twisting motion to release the defogger outlet duct lower from the windshield defroster duct, then from the defogger outlet duct - upper.
34. Remove the passenger SIR bracket and the passenger knee bolster bracket.




35. Disconnect the sunload sensor electrical connector from the RH side of the windshield defroster duct.
36. Disconnect the electrical connector from the RH temperature valve electric actuator.




37. Remove the RH floor air outlet duct retaining screws.
38. Remove the floor air outlet duct.




39. Pull the front floor carpet away from the RH side of the driveline tunnel to access the carpet air outlet duct.
40. Use a rotating motion the release the carpet air outlet duct from the floor air outlet duct - rear.




41. Remove the RH floor air outlet duct - rear. Rotate the floor air outlet duct - rear 1/4 turn counterclockwise to release.




42. Disconnect the wiring harness electrical connector from the blower motor control module.
43. Remove the blower motor w/impeller.




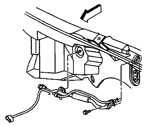
44. Disconnect the IP harness vacuum source line (1) from the HVAC module vacuum harness (2).




45. Disconnect the electrical connector from the vacuum electric solenoid.




46. Remove the windshield defroster duct retaining screws.
47. Remove the windshield defroster duct.




48. Remove the HVAC module retaining and sealing nuts from the dash panel.
Reposition the refrigerant lines slightly, if necessary.
49. Remove the HVAC module retaining screws from the IP upper support beam.
50. Carefully remove the HVAC module from the vehicle.




51. Remove and discard the HVAC module air inlet, drain, and plumbing seals.

INSTALLATION PROCEDURE




1. Install new air inlet, drain, and plumbing seals to the HVAC module.




2. Carefully install the HVAC module to the vehicle in the following SEQUENCE.

IMPORTANT: Ensure that the cut-outs on the dashmat are properly aligned so that the air inlet, drain, and plumbing seals are seated directly against the dash panel and not the dashmat.

2.1. Check the dashmat (1) for proper alignment to the dash panel. Align if necessary. The opening in the dashmat for the HVAC module drain should be aligned so that the drain opening in the dash panel is approximately centered in the dash mat opening; allowing ample room for the module drain seal (2) to fully seat against the dash panel.
2.2. ALIGN the heater core joint fitting, the condenser joint fitting, the HVAC module drain and the HVAC module studs to the corresponding openings on the dash panel.
2.3. INSERT the LH stud into the dash panel FIRST, then the module drain, then the RH stud.
2.4. Install the HVAC module LH retaining bolt to the IP upper support beam module net locating hole (3).

NOTE: Refer to Fastener Notice in Service Precautions.

2.5. Install the HVAC module RH retaining bolt to the IP upper support beam.

Tighten
Tighten the HVAC module retaining bolts to 10 N.m (89 lb in).

IMPORTANT: To prevent possible water leaks or wind/road noise from entering the vehicle passenger compartment, DO NOT reuse the old HVAC module retaining and sealing nuts.

2.6. Install the HVAC module new retaining and sealing nuts to the dash panel. Reposition the refrigerant lines slightly, it necessary.

Tighten
Tighten the HVAC module retaining and sealing nuts to 10 N.m (89 lb in).




3. Install and align the windshield defroster duct to the HVAC module opening and the IP upper support beam.
4. Install the windshield defroster duct LH retaining screw (net locating hole).
5. Install the windshield defroster duct RH retaining screw.

Tighten
Tighten the windshield defroster duct retaining screws to 10 N.m (89 lb in).




6. Connect the electrical connector to the vacuum electric solenoid.




7. Connect the IP harness vacuum source line (1) to the HVAC module vacuum harness (2).




8. Install the blower motor w/impeller.
9. Connect the wiring harness electrical connector to the blower motor control module.




10. Position and align the RH floor air outlet duct - rear to the HVAC module, then push firmly and evenly to secure the duct.




11. Secure the carpet air outlet duct to the RH floor air outlet duct - rear.
Use a rotating motion to secure the carpet air outlet duct to the floor air outlet duct - rear.
12. Position the front floor carpet to the RH side of the driveline tunnel.




13. Install the RH floor air outlet duct to the HVAC module.
14. Install the floor air outlet duct retaining screws.

Tighten
Tighten the floor air outlet duct retaining screws to 1.6 N.m (14 lb in).




15. Connect the electrical connector to the RH temperature valve electric actuator.
16. Connect the sunload sensor electrical connector to the RH side of the windshield defroster duct.




17. Install the passenger SIR bracket and the passenger knee bolster bracket.
18. Install the RH side window defogger outlet duct - lower.
18.1. Use a twisting motion to secure the defogger outlet duct - lower to the defogger outlet duct - upper, then to the windshield defroster duct.
18.2. Install the defogger outlet duct - lower retaining tabs to the passenger SIR bracket.




19. Position and align the LH floor air outlet duct - rear to the HVAC module, then push firmly and evenly to secure the duct.




20. Install the LH floor air outlet duct to the HVAC module.
21. Install the floor air outlet duct retaining screws.

Tighten
Tighten the floor air outlet duct retaining screws to 1.6 N.m (14 lb in).

22. Install the IP center support bracket and the ignition switch housing bracket.




23. Connect the electrical connector to the LH temperature valve electric actuator.
24. Connect the DRL sensor electrical connector to the LH side of the windshield defroster duct, if equipped.




25. Install the inside air temperature sensor aspirator duct muffler.
Use a twisting motion to secure the duct muffler.




26. Install the inside air temperature sensor aspirator duct.
26.1. Use a twisting motion to secure the duct to the duct mufflers.
26.2. Install the duct retaining tab to the ignition switch housing bracket.




27. Install the LH side window defogger outlet duct - lower.
27.1. Use a twisting motion to secure the defogger outlet duct - lower to the defogger outlet duct - upper, then to the windshield defroster duct.
27.2. Install the push-in retainer.




28. Install the Instrument Panel Cluster (IPC) into position.
29. Install the IPC to steering column bracket retaining screws.

Tighten
Tighten the IPC to steering column bracket retaining screws to 3.5 N.m (31 lb in).

30. Install the IP upper trim pad.
31. Install the LH lower insulator panel.
32. Install the driver knee bolster trim panel.
33. Install the RH lower insulator panel.
34. Install the IP passenger compartment.
35. Install the IP accessory trim plate.
36. Install the console.




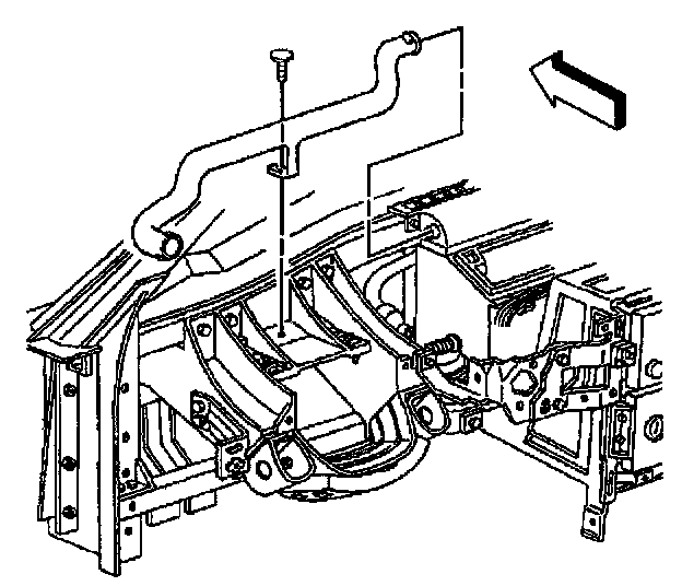
37. Install the evaporator and HVAC module drain tube to the module. Orientate the drain tube to contact the dash panel as shown (1).
38. Check to be sure that the drain tube is fully seated to the HVAC module.




39. Remove the cap or tape from the accumulator hose, evaporator tube - rear and the evaporator.
40. Using a lint-free clean, dry cloth, carefully clean the sealing surfaces of the accumulator hose, evaporator tube - rear and the evaporator.
41. Lightly coat the new O-ring seals (1) with mineral base 525 viscosity refrigerant oil.

IMPORTANT: DO NOT allow any of the mineral base 525 viscosity refrigerant oil on the O-ring seals to enter the refrigerant system.

42. Carefully slide the new O-ring seals (1) onto the accumulator hose and the evaporator tube - rear until seated.




43. Install the accumulator hose and evaporator tube - rear to the evaporator.
44. Install the accumulator hose to evaporator retaining bolt.

Tighten
Tighten the accumulator hose to evaporator retaining bolt to 16 N.m (12 lb ft).




45. Remove the cap or plug from the heater pipe assembly and the heater core.
46. Using a lint-free clean, dry cloth, carefully clean the sealing surfaces of the heater pipe assembly and the heater core.
47. Lightly coat the new seal washers with coolant.
48. Carefully slide the new seal washers onto the heater pipe assembly until seated.
49. Install the heater pipe assembly to the heater core.
50. Install the heater pipe assembly retaining bolt.

Tighten
Tighten the heater pipe assembly retaining bolt to 16 N.m (12 lb ft).




51. Install the heater pipe bracket into position.
52. Install the heater pipe bracket retaining nut.

Tighten
Tighten the heater pipe bracket retaining nut to 10 N.m (89 lb in).

53. Install the engine intake manifold.
54. Connect the negative battery cable.

Tighten
Tighten the negative battery cable bolt to 15 N.m (11 lb ft).

55. Install the battery heat shield.
56. Install the battery.
57. Enable the SIR system. Refer to Enabling the SIR System in SIR.
58. Program the transmitters. Refer to Transmitter Programming/Synchronization in Keyless Entry.
59. Refill the cooling system. Refer to Draining and Filling Cooling System in Cooling System.
60. Inspect the heater core joint for leaks.
61. Evacuate and charge the refrigerant system. Service and Repair
62. Check the evaporator joint for leaks. Component Tests and General Diagnostics