Curiosii for ever!: Car repair manuals for everyone.

Timing Cover: Service and Repair

Removal Procedure

^ Tools Required
- J28467-360 Engine Support Fixture

Caution: to Battery Disconnect Caution in Service Precautions.





1. Disconnect the negative battery cable.
2. Remove the drive belt. Refer to Drive Belt Replacement.
3. Remove the drive belt tensioner. Refer to Drive Belt Tensioner Replacement.
4. Install the J28467-360 Engine Support Fixture.
5. Remove the engine mount assembly. Refer to Engine Mount Replacement.
6. Remove the generator rear brace.
7. Remove the generator. Refer to Generator Replacement.
8. Remove the power steering pump. Position the pump aside. Keep the lines attached. Refer to Power Steering Pump Replacement in Steering and Suspension.
9. Raise and support the vehicle. Refer to Vehicle Lifting.
10. Remove the oil pan. Refer to Oil Pan Replacement.
11. Remove the crankshaft pulley and hub. Refer to Crankshaft Balancer and Hub Replacement.
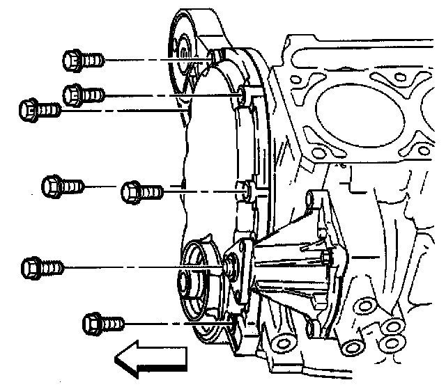
12. Remove the engine front cover bolts.
13. Remove the engine front cover. If necessary, carefully use a rubber mallet to loosen the cover.
14. Clean the sealing surface on the engine block.
15. Clean the sealing surface on the engine front cover.

Installation Procedure





1. Install the engine front cover gasket.

Notice: Refer to Fastener Notice in Service Precautions.

2. Install the engine front cover and the bolts.
^ Tighten the bolts to 11 Nm (97 inch lbs.).
3. Install the crankshaft pulley and the crankshaft pulley hub. Refer to Crankshaft Balancer and Hub Replacement.
4. Install the oil pan. Refer to Oil Pan Replacement.
5. Lower the vehicle.
6. Install the power steering pump. Refer to Power Steering Pump Replacement.
7. Install the generator. Refer to Generator Replacement.
8. Install the generator rear brace.
9. Install the engine mount assembly. Refer to Engine Mount Replacement.
10. Remove the J28467-360 Engine Support Fixture.
11. Install the drive belt tensioner. Refer to Drive Belt Tensioner Replacement.
12. Install the drive belt. Refer to Drive Belt Replacement.