Curiosii for ever!: Car repair manuals for everyone.

Ignition System: Testing and Inspection










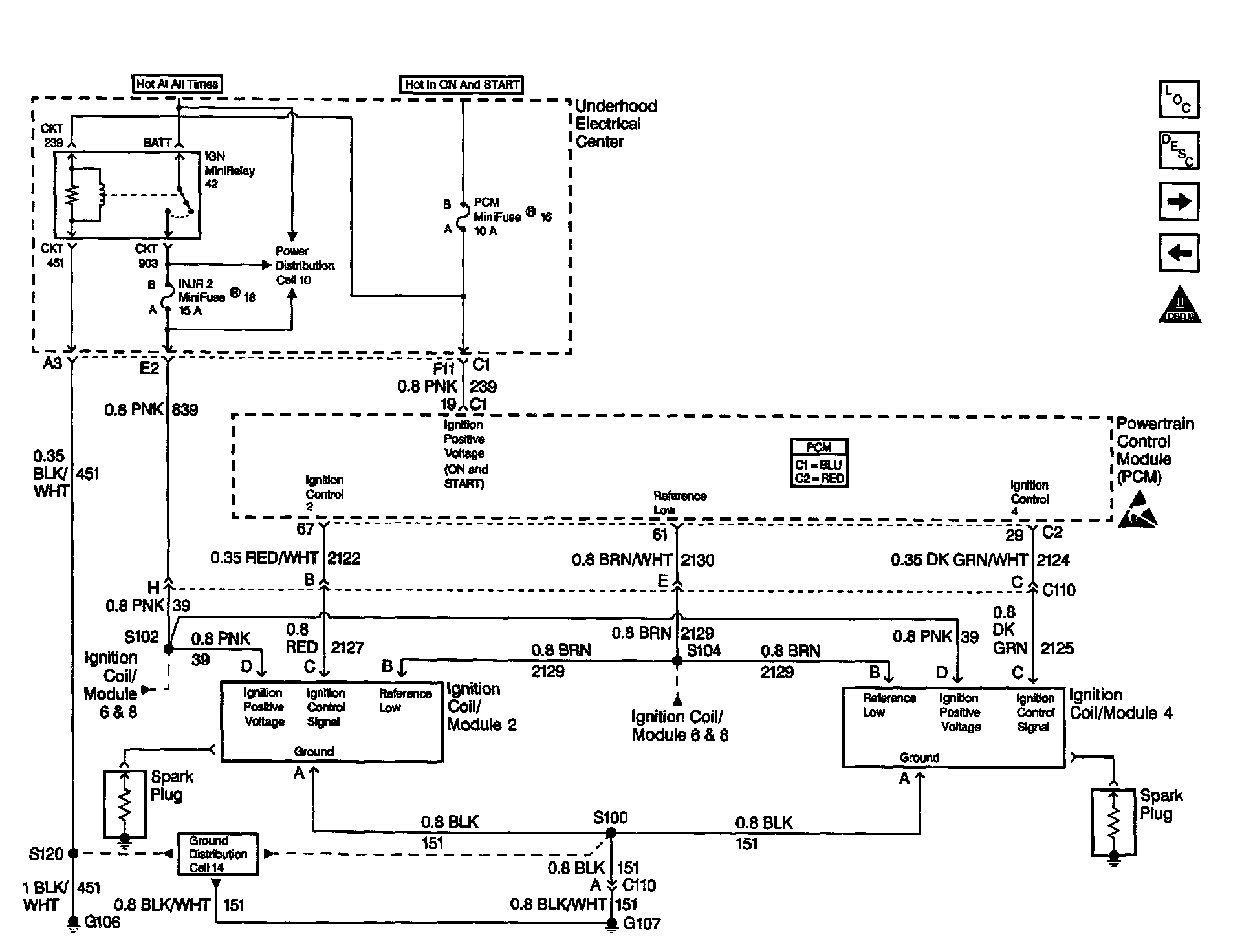
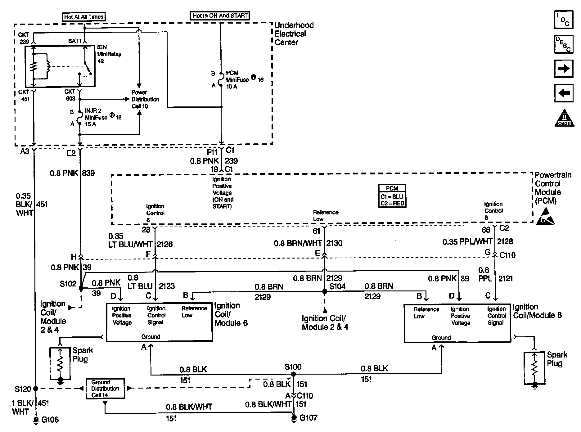
Ignition Coil/Module Cylinders 6 And 8:




Ignition Coil/Module Cylinders 2 And 4:




Ignition Coil/Module Cylinders 5 And 7:




Ignition Coil/Module Cylinders 1 And 3:






Circuit Description
A Crankshaft Position (CKP) sensor determines the engine crankshaft position. The sensor is mounted and protrudes into the rear of the engine block. The sensor is near a slotted wheel on the crankshaft. The rotation of the slotted wheel induces a voltage in the sensor. The signal creates the reference pulses needed by the Powertrain Control Module (PCM) to calculate crankshaft speed and position. These signals trigger the correct ignition coil to fire, at the correct time.

The ignition system on this engine uses an individual ignition coil/module for each cylinder. The PCM controls the ignition system operation. There are eight Ignition Control (IC) circuits, one per cylinder, that connect the PCM with the ignition coil/modules. Each ignition coil/module has a power feed, a chassis ground circuit, a signal circuit and a reference low circuit. The PCM calculates the ignition sequence and timing of the spark plugs.

Diagnostic Aids

Important:
^ Remove any debris from the PCM/TAC module connector surfaces before servicing the PCM/TAC module. Inspect the PCM/TAC module connector gaskets when diagnosing/replacing the modules. Ensure that the gaskets are installed correctly. The gaskets prevent contaminate intrusion into the PCM/TAC modules.
^ For any test that requires probing the PCM or a component harness connector, use the Connector Test Adapter kit J 35616-A. Using this kit prevents damage to the harness/component terminals.
^ The following may cause an intermittent:
- Inspect for poor connections;
- Corrosion
- Mis-routed harness
- Rubbed through wire insulation
- Broken wire inside the insulation
^ For an intermittent condition, refer to Symptoms. Symptom Related Diagnostic Procedures

Test Description
The numbers below refer to the step numbers on the diagnostic table.
3. Monitoring the misfire current counters determines if a fault is present.
4. A good indication that the fuse is open is all the misfire current counters are incrementing on one side of the engine. Inspect the ignition feed circuit for a grounded circuit.
8. If the fuse is open and no problem can be found with the ignition coil/module circuits, inspect the injector circuits for being grounded. The INJR1 fuse and INJR2 fuse feed the ignition coil/module circuits and injector circuits.