Curiosii for ever!
: Car repair manuals for everyone.
Home
>>
Chevrolet
>>
1999
>>
Corvette V8-5.7L VIN G
>>
Repair and Diagnosis
>>
Diagrams
>>
Electrical Diagrams
>>
Accessory Delay Module
>>
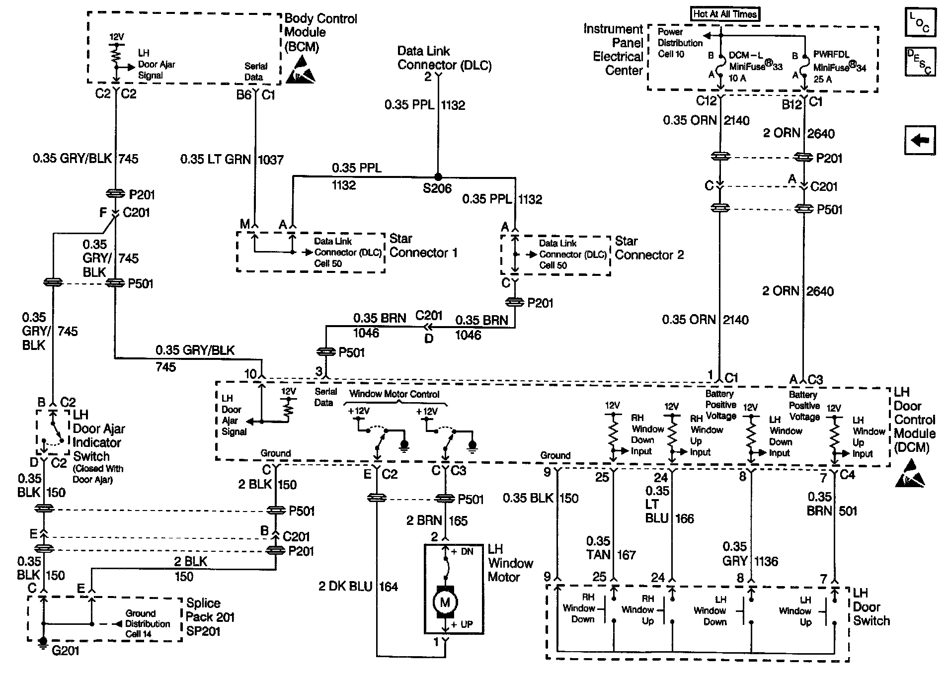
LH Door Control Module (DCM)
LH Door Control Module (DCM)
Retained Accessory Power (RAP) Schematics: LH Door Control Module (DCM):