Curiosii for ever!: Car repair manuals for everyone.

Power Window Motor: Service and Repair



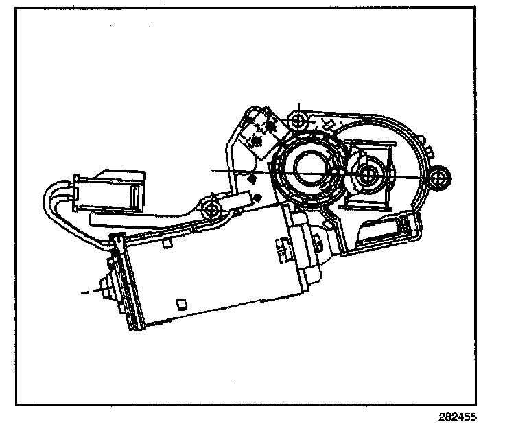
REMOVAL PROCEDURE

IMPORTANT: Motor and actuator must be removed as an assembly. Do not attempt separation of motor and actuator. Replacement parts are not available separately.




1. Remove the door trim panel.
2. Remove the electrical connection from the power window motor.
3. Remove the power window motor retaining rivets.
4. Remove the power window motor assembly from the vehicle.

INSTALLATION PROCEDURE




1. Install the power window motor assembly to the vehicle.
2. Install new power window motor retaining rivets.
3. Install the electrical connector to the power window motor.
4. Install the door trim panel.