Curiosii for ever!: Car repair manuals for everyone.

Transaxle Case Assembly

^ Tools Required
^ J 26540 Input Shaft Seal Installer
^ J 8092 Driver Handle
^ J 41679 Bearing Race Installer
^ J 7817 Bearing Installer
^ J 8611-01 Bearing Race Installer
^ J 33373 Shim Selector
^ J 24256-A Bearing Race Installer
^ J 33370 Bearing Race Installer
^ J 26938/J 29130 Drive Axle Seal Installer
^ J 33374 Bearing Installer
^ J 36037 Outer Bushing Installer
^ J 37159 Inner Bearing Installer
^ J 36190 Driver Handle





Notice: Attach the clutch housing to the transmission holding fixture if the clutch housing was removed during disassembly.

1. Install a new input shaft sea] using the J 26540.

Notice: Apply oil to the roller bearing before installation.

2. Install the input shaft front roller bearing into the clutch housing.





3. Press the input bearing into the housing. Use the J 41679 with the J 8092.





4. Press the output race into the housing. Use the J 7817 with a hammer.





5. Press the differential race into the housing. Use the J 8611-01 with the J 8092.





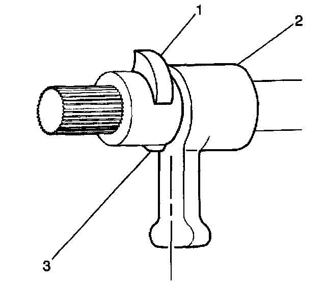
6. Apply grease to the three 10 mm interlock pins (1).
7. Install the pins (1) on the clutch housing.





8. Install the reverse shift bracket on the clutch housing. Align the bracket to the housing using the 3rd/4th shift shaft.

Notice: Refer to Fastener Notice in Service Precautions.

9. Install the retaining bolts.
^ Tighten the bolts to 17 Nm (13 ft. lbs.).

10. Inspect the shift shaft for smooth operation.





11. Install the differential case assembly.





12. Install the 3rd/4th gear shift shaft 13 mm lock pin (4).
13. Install the following items in the clutch housing as one unit:
^ The input shaft (2)
^ The output shaft (1)
^ The 3rd/4th gear shift fork (3)
^ The 3rd/4th gear shift shaft (3)
14. Install the 3rd/4th gear shift shaft (3) in the raised collar of the reverse shift lever bracket.





15. Install the 1st/2nd gear shift fork (3) on the synchronizer sleeve.
16. Insert the 1st/2nd gear shift shaft (1) into the reverse shift lever bracket.
17. Align the hole in the 1st/2nd gear shift fork with the hole in the 1st/2nd gear shift shaft.
18. Install a new double roll pin (2).





19. Install the reverse shift lever, clevis, and pin on the reverse shift lever bracket.





20. Install the reverse shift shaft (1).





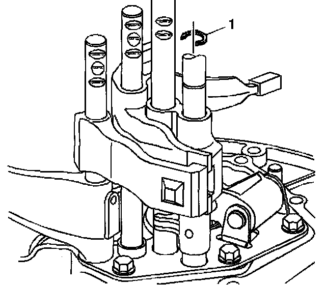
21. Install the 10 mm interlock pin (1) in the reverse/5th shift gear blocker (2).
22. Install the reverse/5th gear shift blocker (2) on the 5th gear shift shaft (3).





23. Install the 12 mm interlock pin (1) on the 5th gear shift shaft.
24. Install the 5th gear shift shaft (2).
25. Align the 5th gear shift shaft interlock detent.





26. Install the reverse shift shaft snap ring.





27. Install the reverse idle shaft together with the gear into the clutch housing. Ensure that the reverse lever is engaged in the collar of the gear.





28. Install the rear output shaft bearing race and shim using the J 33370 and the J 8092. Refer to Shimming Procedures.
29. Lubricate the rear differential case bearing race.
30. Install the rear differential case bearing race and shim using the J 8611-01 and the J 8092. Press the bearing until sealed in its bore. Refer to Shimming Procedures.
31. Install the magnet in the clutch housing.
32. Clean the clutch housing and transaxle case mating surfaces.
33. Apply a 3.18 mm (0.125 inch) bead of RTV silicone sealer GM P/N 1052942 or equivalent to the mating surfaces.
34. Install the transaxle case on the clutch housing.
35. Install the snap ring into the ball bearing groove.
36. Install the reverse idle shaft bolt into the transaxle case.
^ Tighten the bolt to 38 Nm (28 ft. lbs.).
37. Install the transaxle case bolts in a diagonal sequence.
^ Tighten the bolts to 38 Nm (28 ft. lbs.).





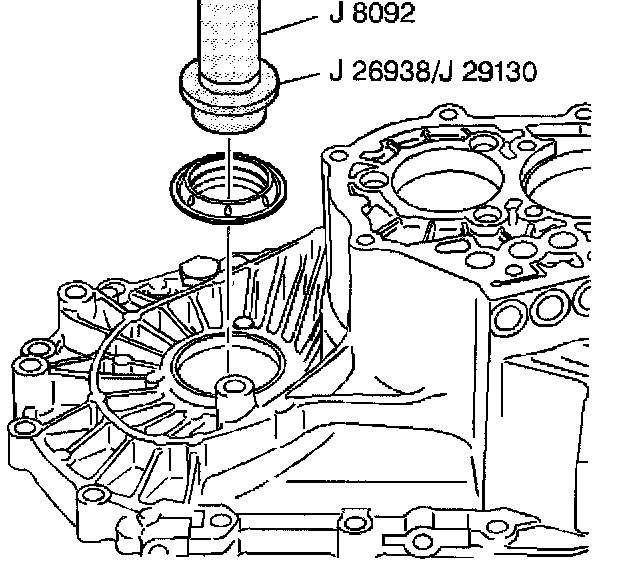
38. Install the drive axle seals using the J 26938IJ 29130 with the J 8092.





39. Install the drive axle sea[ into the transaxle case using the J 26938/J 29130 with the J 8092.





40. Lubricate the output shaft thrust washer and the collar.
41. Install the thrust washer and the collar using the J 33374.
42. Install the 5th gear on the input shaft. The raised machined surface of the 5th gear faces the transmission case.





43. Assemble the following items on the hub/sleeve assembly:
^ The shift fork (4)
^ The back plate (1)
44. Install the following items on the output shaft:
^ The needle bearing
^ The 5th gear (3)
^ The blocker ring
^ The hub/sleeve assembly (2)
45. Align the shift fork on the shift shaft.
46. Lubricate the output gear thrust surfaces.
47. Install the new pin on the shift shaft.





48. Install the backup lamp switch.
^ Tighten Backup lamp switch to 33 Nm (24 ft. lbs.)





49. Install the reverse detent ball and the reverse detent spring.
50. Install the reverse detent spring retaining bolt.
^ Tighten The bolts to 25 Nm (18 ft. lbs.).





51. Install the detent balls and detent springs for the following:
^ The 1st/2nd gear
^ The 3rd/4th gear
^ The 5th gear
52. Install the following detent retaining bolts:
^ The 1st/2nd gear
^ The 3rd/4th gear
^ The 5th gear
^ Tighten The bolts to 25 Nm (18 ft. lbs.).





53. Carefully wipe any oil from the threads on the input and output shafts. Apply Loctite(TM) 414 GM P/N 12345493 or equivalent to the threads of the following parts (Use care not to allow the material to flow into the splines of the 5th gear and input shaft):
54. Install new input shaft retaining nut.
^ Tighten the nut to 128 Nm (94 ft. lbs.).
55. Stake the nut.
56. Install new output shaft retaining nut.
^ Tighten the nut to 128 Nm (94 ft. lbs.).
57. Stake the nut.





58. Assemble the control box as follows (Make sure that the splines on the stopper cam and the internal lever are aligned):
58.1. Assemble the stopper cam (1) to the internal lever (2).
58.2. Install the stopper cam and internal lever on the shift lever assembly.
58.3. Align the stopper cam alignment mark (3) with the center on the internal lever.
58.4. Inspect the reverse inhibitor for proper operation.
58.5. Install a new roll pin on the internal lever.
59. Clean the control box and the transaxle case mating surface. Apply a 1/8 inch bead of RTV Silicone Sealer GM P/N 1052942 or equivalent to the mating surface.
60. Install the control box on the transmission case.
61. Install the control box bolts.
^ Tighten the bolts to 18 Nm (13 ft. lbs.).

Notice: Make sure that the transaxle shifts properly before installing the rear cover bolts.

62. Install a new gasket on the rear cover.
63. Install the rear cover.
64. Install the rear cover bolts.
^ Tighten the bolts to 18 Nm (113 ft. lbs.).





65. Measure the input shaft rotating torque. When measuring the input shaft rotating torque, the input shaft should be to the upper side and the differential assembly should be to the lower side.
66. The input shaft rotating torque should be less than 0.8 Nm (7 inch lbs.).





67. Install the vehicle speed sensor into the clutch housing.
68. Install the vehicle speed sensor bolt.
^ Tighten the bolt to 9 Nm (80 inch lbs.).