Curiosii for ever!: Car repair manuals for everyone.

Battery Replacement




REMOVAL PROCEDURE
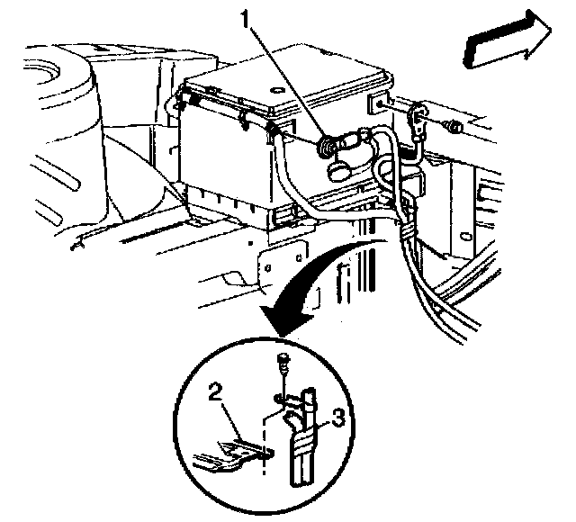
1. Disconnect the negative battery cable (1) at the battery.
2. Remove any brackets or braces that are in the way.
3. Disconnect the positive battery cable from the battery.
4. Remove the battery retainer bolt.
5. Remove the battery retainer.
6. Remove the battery.
7. Remove the insulator from the battery.

INSTALLATION PROCEDURE
1. Install the battery insulator to the battery.
2. Install the battery.

NOTE: Refer to Fastener Notice in Cautions and Notices.

3. Connect the battery retaining bolt.

Tighten
Tighten the battery retaining bolt to 18 N.m (13 lb ft).

4. Install any brackets (2) or braces (3) that were removed.
5. Connect the positive battery cable.

Tighten
Tighten the positive battery cable to 16 N.m (12 lb ft).

6. Connect the negative battery cable.

Tighten
Tighten the negative battery cable to 16 N.m (12 lb ft).