Curiosii for ever!
: Car repair manuals for everyone.
Home
>>
Chevrolet
>>
1999
>>
Cavalier L4-2.2L VIN 4
>>
Repair and Diagnosis
>>
Heating and Air Conditioning
>>
Service Port HVAC
>>
Locations
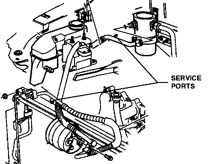
Service Port HVAC: Locations