Curiosii for ever!: Car repair manuals for everyone.

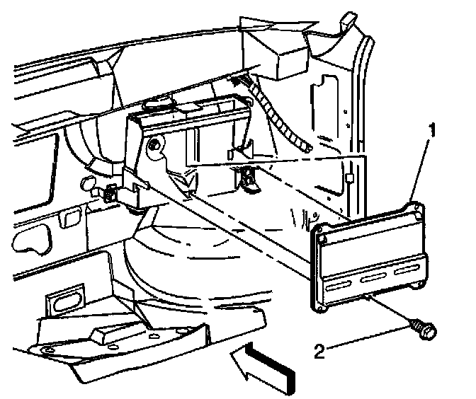
Vehicle Control Module





The powertrain control module (PCM) communicates with the instrument cluster using serial data over the UART serial data bus, CKT 800. When the instrument cluster determines a Pass Theft condition, the instrument cluster sends a coded password to the PCM. When the instrument cluster receives the correct password, the PCM enables the fuel injection system in order to allow the vehicle to operate normally. The PCM may allow the vehicle to start and stall quickly during a failed theft condition.

The PCM may enter tamper mode under the following 2 conditions:
- A bad timing cycle
- An incorrect password

If the instrument cluster does not send a password within a preset time window, the PCM will enter the Short Tamper Mode. During the Short Tamper Mode the PCM will not allow the car to operate for 4 seconds. If the password is incorrect, the PCM will enter the Long Tamper Mode. During the Long Tamper Mode the following actions will occur:
- The indicator will flash.
- The fuel injectors will shut off for approximately 10 minutes.

The vehicle may start, but the engine will quickly stall due to fuel cut-off.

The PCM will become fail-enabled under the following conditions:
- If there is a open in the serial data wire between the instrument cluster and the PCM
- If the vehicle is running

The following actions will then occur:
- The THEFT SYSTEM indicator will then illuminate continuously.
- The PCM will become fail-enabled for future ignition cycles.

If a failure in the serial data wire occurs under the following conditions, the engine will not start:
- The engine is not running.
- The PCM is not fail-enabled.