Curiosii for ever!: Car repair manuals for everyone.

Oil Pressure Sensor: Service and Repair

Removal Procedure

- Tools Required
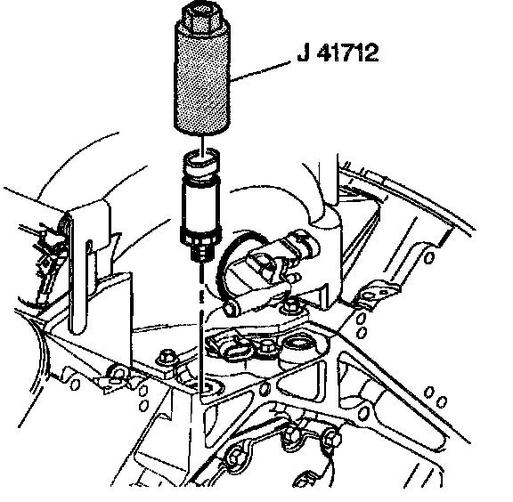
- J 41712 Oil Pressure Sensor Socket





1. Remove the intake manifold.
2. Disconnect the oil pressure sensor electrical connector (1).

Important: Clean the area around the sensor before removal. This avoids debris from entering the engine.





3. Use J 41712 to remove the oil pressure sensor from the engine block.

Installation Procedure

- Tools Required
- J 41712 Oil Pressure Sensor Socket

1. If installing the old sensor, apply thread sealant GM P/N 12346004 or equivalent.

Notice: Refer to Fastener Notice in Service Precautions.





2. Use J 41712 to install the oil pressure sensor to the engine block.
- Tighten the engine oil pressure sensor to 20 Nm (15 ft. lbs.).





3. Connect the oil pressure sensor electrical connector (1).
4. Install the intake manifold.