Curiosii for ever!: Car repair manuals for everyone.

Fuse Block: Service and Repair

Underhood Fuse Block Replacement

REMOVAL PROCEDURE
The underhood electrical center is part of the forward lamp wiring harness. The underhood electrical center and harness must be replaced as a complete assembly.

CAUTION: Refer to Battery Disconnect Caution in Cautions and Notices.




1. Disconnect the negative battery cable.




2. Starting inside the vehicle, disconnect the accel/cruise servo cable adjuster electrical connectors (1).




3. Disconnect the following connectors from the steering column (1):
^ Ignition switch (2)
^ Wiper/washer (3)
Remove the insulator from around the connector.
^ Dimmer switch (4)




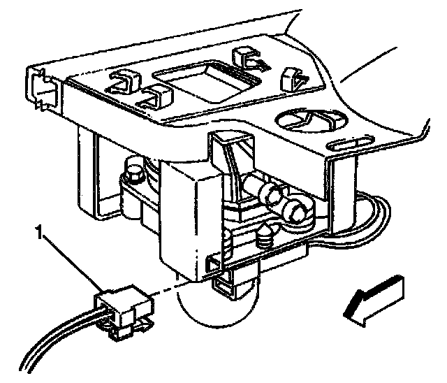
4. Disconnect the electronic throttle control (ETC) electrical connector (1), if equipped with a 3.8L engine.
5. Disconnect the rosebud clips (2) from the dash mat.
6. Raise and suitably support the vehicle. Refer to Lifting and Jacking the Vehicle.




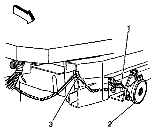
7. Disconnect the secondary air injection (AIR) pump connector (1), if equipped with a 3.8L engine.




8. Disconnect the vacuum tank hose from the vacuum tank.




9. Remove the park/turn signal (3) and marker lamp (1) connector from the lamp (2).
10. On Pontiac, disconnect the side marker lamp connector.




11. Remove the side repeater lamp (Export only).




12. Remove the harness clips (1) from the fender rail. (Export only)




13. Disconnect the connector (1) from the fog lamp (2).
14. Remove the clip (3) from the front bumper beam.




15. Remove the secondary lock retainer (3).
16. Disconnect the headlamp jumper harness (2) from the forward lamp harness (1).




17. Disconnect the inline headlamp connector (1) from the forward lamp harness.
18. Disconnect the rosebud clip (5) from the front end panel.
19. Route the following through the front end panel hole.
^ Fog lamp connector (2)
^ Park/turn signal connector (3)
^ Side marker connector (4), Pontiac only
20. Lower the vehicle.




21. Remove the captured secondary lock (1) from the connector.
22. Disconnect the ETC connector (2) from the throttle body, if equipped with a 3.8L engine.




23. Disconnect the washer pump electrical connector (1).
24. Disconnect the windshield washer fluid hose (2) from the pump.




25. Disconnect the forward lamp wiring harness rosebud clips (1) from the tie bar.




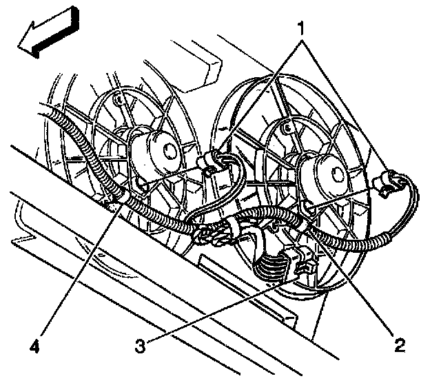
26. Disconnect the cooling tan electrical connectors (1).
27. Disconnect the harness rosebud clips (2 and 4).
28. Remove the battery.




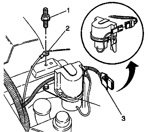
29. Remove the right front ground bolt (2).
30. Remove the forward lamp wiring ground (3) from the tie bar.
31. Remove the harness from the outboard of the battery tray (1).
32. Remove the forward lamp harness headlamp branch through the hole in the front panel.




33. Remove the forward lamp harness ground stud (1).
34. Remove the forward lamp harness ground (2).
35. Disconnect the electronic throttle actuator electrical connector (3), if equipped with a 5.7L engine.




36. Disconnect the secondary captured locks.
37. Disconnect the forward lamp harness from the engine harness.
38. Disconnect the forward lamp harness vacuum tube from the top of the vacuum check valve.




39. Remove the speed sensor connector (1) from the mid rail.
40. Disconnect the harness rosebud (2) clip at the coolant fill neck.




41. Remove the positive battery cable cover.
42. Remove the positive battery cable nut.
43. Remove the positive battery cable terminal from the fuseblock.




44. Remove the ABS/SIR electrical ground stud (1) from the wheelhouse panel.
45. Remove the ABS/SIR electrical ground terminal (2) from the wheelhouse.




46. Disconnect the 30 way connector (1) from the brake pressure module valve.




47. Disconnect the brake fluid level sensor connector (1) from the master cylinder.
48. Remove the wheel speed sensor connector (2) from the mid rail.




49. Remove the underhood electrical center from the wheelhouse bracket.
50. Remove the air inlet grille panel.
51. Disconnect the wiper motor electrical connector.




52. Remove the wipe motor harness branch from the plenum extension.
53. Remove the windshield washer fluid hose from the plenum extension.
54. Remove the forward lamp wiring harness grommet bolt (2).
55. Remove the harness rosebud clip at the left wheelhouse panel.
56. Gently, remove the forward lamp harness from inside the vehicle through the front of dash opening.
57. Remove the forward lamp wiring harness from the vehicle.

INSTALLATION PROCEDURE




1. Install the forward lamp wiring harness to the vehicle.
2. Route the forward lamp harness through the front of dash in the interior of the vehicle.
3. Install the harness rosebud clip to the left wheelhouse panel.

NOTE: Refer to Fastener Notice in Cautions and Notices.

4. Install the forward lamp wiring harness grommet bolt (2).

Tighten
Tighten the forward lamp wiring harness grommet bolt (2) to 8 N.m (71 lb in).

5. Install the windshield washer fluid hose to the plenum extension.




6. Install the wiper motor branch to the plenum extension.
7. Connect the wiper motor electrical connector.
8. Install the air inlet grille panel.
9. Perform the following to Install the underhood electrical center to the wheelhouse bracket:
9.1. Tilt the forward lamp harness bracket outboard.
9.2. Insert the tab on the bracket into the hole in the wheelhouse bracket.
9.3. Roll bracket back inboard.
9.4. Secure bracket by sliding down into tabs on tie bar.




10. Install the wheel speed sensor connector (2) to the mid rail.
11. Connect the brake fluid level sensor connector (1) to the master cylinder.




12. Connect the 30 way connector (1) to the brake pressure module valve.




13. Install the ABS/SIR electrical ground terminal (2) to the wheelhouse.
14. Install the ABS/SIR electrical ground stud (1) to the wheelhouse panel.

Tighten
Tighten the ABS/SIR electrical ground stud (1) to 14 N.m (10 lb ft).




15. Install the harness ground wire (2) to the tie bar.
16. Install the left front forward lamp wiring ground bolt (1).

Tighten
Tighten the left front forward lamp wiring ground bolt (1) to 10 N.m (89 lb in).




17. Install the positive battery cable terminal to the fuseblock.
18. Install the positive battery cable nut.

Tighten
Tighten the positive battery cable nut to 14 N.m (10 lb ft).

19. Install the positive battery cable cover.




20. Connect the harness rosebud (2) clip to the coolant till neck.
21. Install the speed sensor connector (1) to the mid rail.




22. Connect the forward lamp harness vacuum tube to the top of the vacuum check valve.
23. Connect the forward lamp harness to the engine harness.
24. Connect the secondary captured locks.




25. Connect the electronic throttle actuator electrical connector (3), if equipped with a 5.7L engine.
26. Install the forward lamp harness ground (2).
27. Install the forward lamp harness ground stud (1).

Tighten
Tighten the forward lamp harness ground stud (1) to 16 N.m (12 lb ft).




28. Route the forward lamp harness headlamp branch through the hole in the front panel.
29. Tuck the harness into the opening forward of the battery tray (1).
30. Install the forward lamp wiring ground (3) to the tie bar.
31. Install the right front ground bolt (2).

Tighten
Tighten the right front ground bolt (2) to 10 N.m (89 lb in).

32. Install the battery.




33. Connect the rosebud clips (2 and 4).
34. Connect the cooling fan electrical connectors (1).




35. Connect the forward lamp wiring harness rosebud clips (1) to the tie bar.




36. Connect the windshield washer fluid hose (2) to the pump.
37. Connect the washer pump electrical connector (1).




38. Connect the ETC connector (2) to the throttle body, if equipped with 3.8L engine.
39. Install the captured secondary lock (1) to the connector.
40. Raise and suitably support the vehicle. Refer to Lifting and Jacking the Vehicle.




41. Route the following through the front end panel hole:
^ Side marker connector (4), Pontiac only
^ Park/turn signal connector (3)
^ Fog lamp connector (2)
42. Connect the rosebud clip (5) to the front end panel.
43. Connect the inline headlamp connector (1) to the forward lamp harness.




44. Connect the headlamp jumper harness (2) to the forward lamp harness (1).
45. Install the secondary lock retainer (3).




46. Install the clip (3) to the front bumper beam.
47. Connect the fog lamp connector (2) to the lamp.




48. Install the harness clips (1) to the fender rail. (Export only)




49. Install the side repeater lamp. (Export only)




50. Install the park/turn signal (3) and marker (1) connector to the lamp (2).
51. On Pontiac, connect the side marker lamp connector.




52. Connect the vacuum tank hose to the vacuum tank.




53. Connect the AIR pump connector (1), it equipped with a 3.8L engine.
54. Lower the vehicle.




55. Connect the rosebud clips (2) to the dash mat.
56. Connect the ETC electrical connector (1), if equipped with a 3.8L engine.




57. Connect the following connector to the steering column (1):
^ Dimmer switch (4)
^ Wiper/washer (3)
Install the insulator around the connector.
^ Ignition switch (2)




58. Connect the accel/cruise servo cable adjuster electrical connectors (1).




59. Connect the negative battery cable.