Curiosii for ever!
: Car repair manuals for everyone.
Home
>>
Chevrolet
>>
1999
>>
Camaro V8-5.7L VIN G
>>
Repair and Diagnosis
>>
Diagrams
>>
Components
>>
Modules
>>
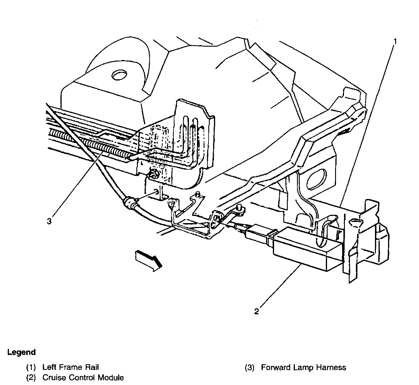
Cruise Control Module (CCM)
Cruise Control Module (CCM)
Left Frame Rail:
Mounted to the left frame rail, forward of the wheelhouse