Curiosii for ever!
: Car repair manuals for everyone.
Home
>>
Chevrolet
>>
1999
>>
Camaro V8-5.7L VIN G
>>
Repair and Diagnosis
>>
Diagrams
>>
Components
>>
Miscellaneous Components
>>
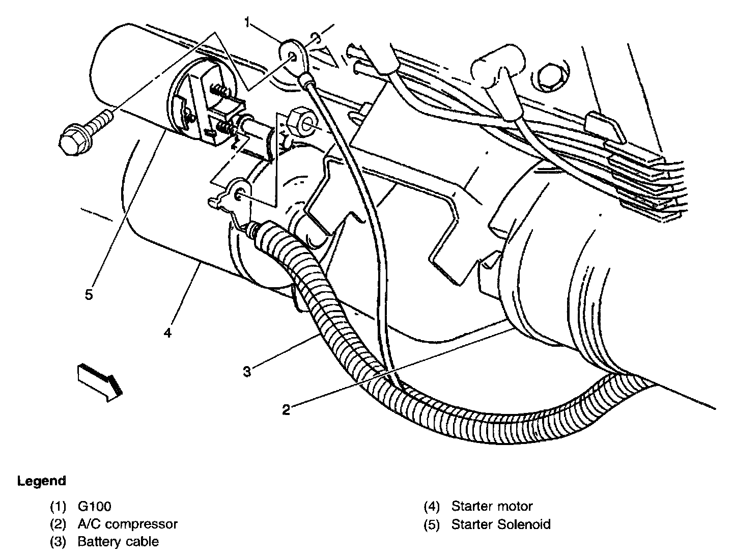
A/C Compressor
A/C Compressor
Lower Right Side Of Engine: