Curiosii for ever!: Car repair manuals for everyone.

Electronic Brake Control Module: Service and Repair

REMOVAL PROCEDURE

NOTICE: To prevent equipment damage, never connect or disconnect the wiring harness connection from the Electronic Brake Control Module (EBCM) with the ignition switch in the ON position.

1. Turn the ignition switch to the OFF position.





2. Pull out lock tab from the Electronic Brake (and Traction) Control Module (EBCM/EBTCM) harness connector (1).
3. Disconnect the EBTCM harness connector.





4. Disconnect the pump motor connector (3) at the bottom of the EBCM/EBTCM.
5. Remove the six EBCM/EBTCM to Brake Pressure Modulator Valve (BPMV) screws (2) and discard.
6. Separate the EBCM/EBTCM (1) from the BPMV (5) by gently pulling apart until separated.

IMPORTANT: Be careful not to damage seal. Do not pry apart using a tool. Care must be taken not to damage the solenoid valves when the EBCM/EBTCM is removed from the BPMV.





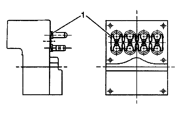
7. If equipped with Antilock Brake System (ABS) only, remove one wave spring (1) between the EBCM and BPMV and discard.

IMPORTANT: Note the location and the orientation of the wave spring in order to aid during installation.





8. If equipped with ABS/Traction Control System (TCS) remove two wave springs (1) between the EBTCM and BPMV and discard.

IMPORTANT: Note the location and the orientation of the wave springs in order to aid during installation.

INSTALLATION PROCEDURE

IMPORTANT: Only the new wave spring(s) and screws supplied with the new Electronic Brake (and Traction) Control Module (EBCM/EBTCM) should be used.

1. Clean the Brake Pressure Modulator Valve (BPMV) gasket surface with alcohol using a clean rag.





2. If equipped with Antilock Brake System (ABS) only, install one wave spring (1) between the EBCM and BPMV. Use location and orientation noted during removal.





3. If equipped with ABS/Traction Control System (TCS), install two wave springs (1) between the EBTCM and BPMV. Use locations and orientation noted during removal.





4. Install the EBCM/EBTCM (1) to the BPMV (5).

NOTICE: Refer to Fastener Notice in Service Precautions.

Tighten the top four mounting screws (2) to 2.9 Nm (26 inch lbs.). Tighten screws in an X pattern.
Tighten the bottom two mounting screws (2) to 2.9 Nm (26 inch lbs.).

5. Connect the pump motor connector (3) to the bottom of the EBTCM.





6. Connect the EBCM/EBTCM harness connector. Push in lock tab (1).
7. Turn the ignition switch to the RUN position, engine off.
8. Perform the ABS Diagnostic System Check.