Curiosii for ever!: Car repair manuals for everyone.

Compressor Replacement

Compressor Replacement


REMOVAL PROCEDURE

IMPORTANT: Compressor related noise is generally A/C system related and not always caused by the compressor itself. Prior to replacing compressor, refer to Noise Diagnosis.




1. Recover the refrigerant. Refer to Refrigerant Recovery and Recharging.
2. Remove the serpentine drive belt.
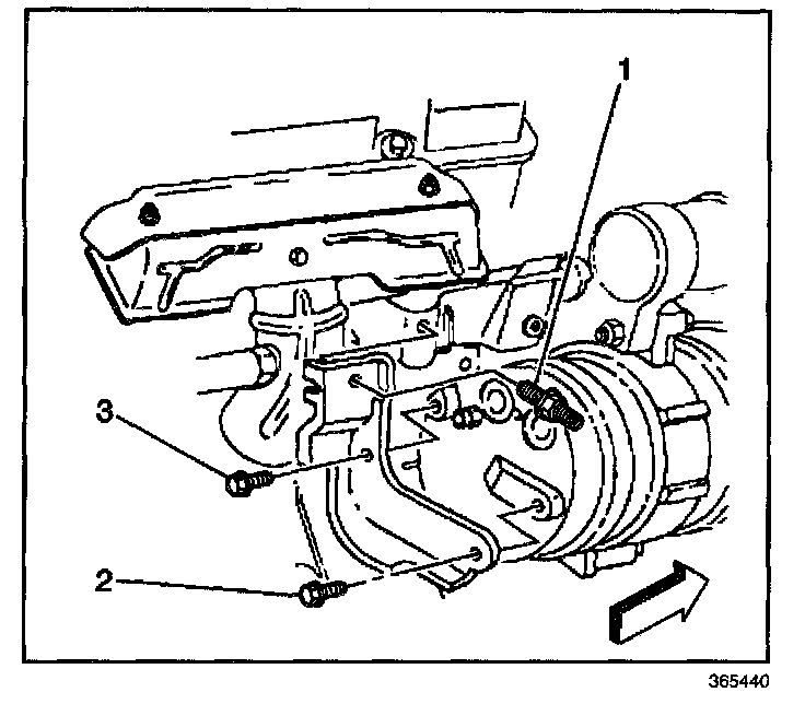
3. Disconnect the electrical connector at the A/C compressor.




4. Remove the negative battery cable nut from the engine block stud.
5. Remove the negative battery cable from the stud.
6. Raise and support the vehicle. Refer to Lifting and Jacking the Vehicle in Service Precautions.




7. Remove the A/C compressor and condenser hose bolt.
8. Discard the O-ring.




9. Remove the A/C compressor rear bolts (2, 3).




10. Remove the A/C compressor bolts.
11. Remove the A/C compressor.

INSTALLATION PROCEDURE




Use the following procedure in order to install the polyalkaline glycol (PAG) refrigerant oil.
^ If the compressor is being replaced, drain the refrigerant oil through the crankcase drain plug and suction/discharge ports of both the defective compressor and the new compressor.
^ Measure the amount of oil removed from the defective compressor.
^ If the measured amount of oil is less than 30 ml (1 fluid ounces), add 60 ml (2 fluid ounces) to the new compressor.
^ It the measured amount of oil is more than 30 ml (1 fluid ounces), fill the new compressor with the same amount of PAG refrigerant oil.




1. Install the A/C compressor.

NOTE: Refer to Fastener Notice in Service Precautions.

2. Install the A/C compressor bolts.

Tighten
Tighten the A/C compressor bolts to 50 N.m (37 lb ft).

3. Install the A/C compressor rear bolts (2, 3).

Tighten
Tighten the A/C compressor rear bolts (2,3) to 30 N.m (22 lb ft).




4. Install a new O-ring.
Lightly coat the O-ring with a mineral base 525 viscosity refrigerant oil.
5. Install the A/C compressor and condenser hose bolt.

Tighten
Tighten the A/C compressor and condenser hose bolt to 33 N.m (24 lb ft).

6. Lower the vehicle.




7. Install the negative battery cable to the stud.
8. Install the negative battery cable nut to the engine block stud.

Tighten
Tighten the negative battery cable nut to the engine block stud to 25 N.m (18 lb ft).




9. Connect the electrical connector at the A/C compressor.
10. Install the serpentine drive belt.
11. Charge the A/C system. Refer to Refrigerant Recovery and Recharging.
12. Perform a leak test on the A/C system. Refer to Leak Testing.