Curiosii for ever!
: Car repair manuals for everyone.
Home
>>
Chevrolet
>>
1998
>>
Corvette V8-5.7L VIN G
>>
Repair and Diagnosis
>>
Diagrams
>>
Exploded Views
>>
Manual Transmission/Transaxle
Manual Transmission/Transaxle
TRANSMISSION CASE (1 OF 2)
TRANSMISSION CASE (2 OF 2)
ADAPTER PLATE AND GEARS
EXTENSION HOUSING
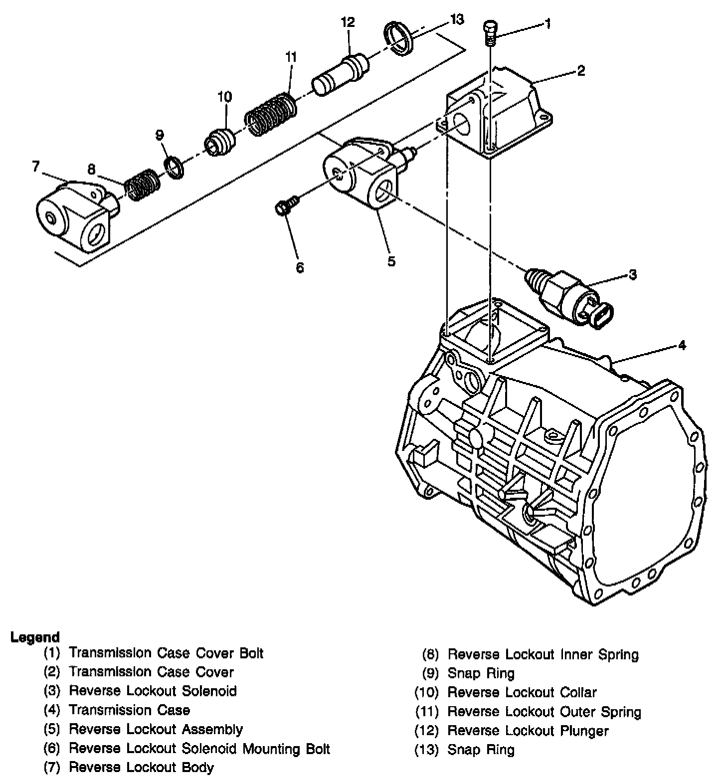
REVERSE LOCKOUT
SHIFT SHAFTS