Curiosii for ever!
: Car repair manuals for everyone.
Home
>>
Chevrolet
>>
1998
>>
Corvette V8-5.7L VIN G
>>
Repair and Diagnosis
>>
Diagrams
>>
Exploded Views
>>
Engine
>>
System Diagram
>>
Visual Identification
>>
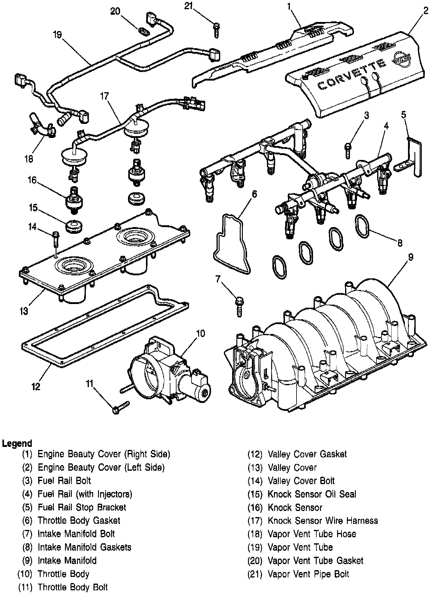
Intake Manifold/Upper Engine
Intake Manifold/Upper Engine
Intake Manifold/Upper Engine: