Curiosii for ever!
: Car repair manuals for everyone.
Home
>>
Chevrolet
>>
1998
>>
Corvette V8-5.7L VIN G
>>
Repair and Diagnosis
>>
Diagrams
>>
Electrical Diagrams
>>
Powertrain Management
>>
Computers and Control Systems
>>
Body Control Module
>>
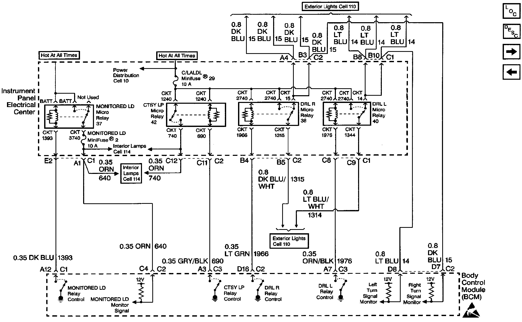
Lamp & Monitored Relay Control
Lamp & Monitored Relay Control
Body Control Module Schematics: Lamp & Monitored Relay Control: