Curiosii for ever!: Car repair manuals for everyone.

Crankshaft Position Sensor Replacement

Access To CKP Sensor:












REMOVAL PROCEDURE
Perform the CKP System Variation Learn Procedure when the Crankshaft Position sensor is removed or replaced.

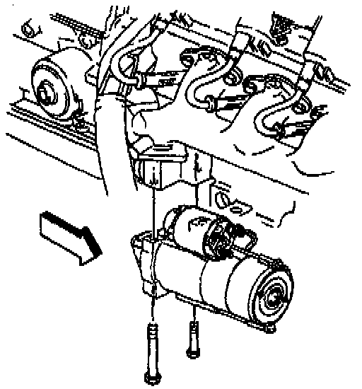
1. Remove the starter. Refer to Engine Electrical.
2. Disconnect the Crankshaft Position (CKP) sensor electrical connector.
3. Remove the CKP sensor retaining bolt.
4. Remove the CKP sensor.

INSTALLATION PROCEDURE
1. Install the CKP sensor.
2. Install the CKP sensor retaining bolt.

Tighten
Sensor to 25 Nm (18 lb ft).

3. Connect the CKP sensor electrical connector.
4. Install the starter.
5. Lower the vehicle.
6. Connect the negative battery cable.