Curiosii for ever!
: Car repair manuals for everyone.
Home
>>
Chevrolet
>>
1998
>>
Camaro V8-5.7L VIN G
>>
Repair and Diagnosis
>>
Diagrams
>>
Exploded Views
>>
Steering
>>
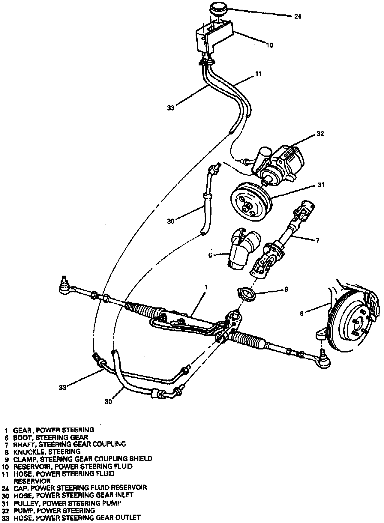
System Diagram
System Diagram
3.8L Vin K:
5.7 Vin G: