Curiosii for ever!: Car repair manuals for everyone.

Fuel Filter: Service and Repair






REMOVAL PROCEDURE

Notice:
- Always maintain cleanliness when servicing fuel system components.
- There is no service interval for fuel filter replacement. Only replace a restricted fuel filter.
- Inspect the fuel tank internally and clean the fuel tank if you find a restricted fuel filter.
- Cap the fittings and plug the holes when servicing the fuel system in order to prevent dirt and other contaminants from entering the open pipes and passages.

1. Disconnect the negative battery cable.
2. Perform the Fuel Pressure Release Procedure.
3. Raise the vehicle.
4. Clean all the fuel filter connections and the surrounding areas before disconnecting the fuel pipes in order to avoid possible contamination of the fuel system.
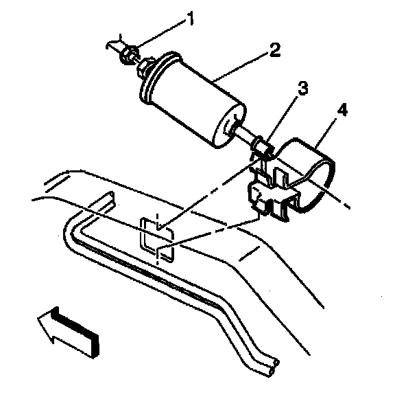
5. Disconnect the quick-connect fitting at the fuel filter inlet (3).
6. Disconnect the threaded fitting (1) from the fuel filter outlet.
7. Slide the fuel filter (2) from the bracket (4).
8. Inspect the fuel pipe 0-ring for cuts, nicks, swelling, or distortion. Replace the O-Ring if necessary.

INSTALLATION PROCEDURE

Notice:
- Always re-attach the fuel lines and fuel filter with all original type fasteners and hardware.
- Do not repair sections of fuel pipes.
- If fuel line bundle attaching hardware is damaged or broken replace it.

1. Slide the fuel filter (2) into the bracket (4).
2. Connect the threaded fitting (1) to the fuel filter outlet.

Tighten
Fitting to 30 Nm (22 lb ft).

3. Connect the quick-connect fitting to the fuel filter inlet (3).
4. Lower the vehicle.
5. Tighten the fuel filler cap.
6. Connect the negative battery cable.
7. Inspect for leaks.
A. Turn the ignition switch ON for 2 seconds.
B. Turn the ignition switch OFF for 10 seconds.
C. Turn the ignition switch ON.
D. Visually inspect the fuel system for fuel leaks.