Curiosii for ever!
: Car repair manuals for everyone.
Home
>>
Chevrolet
>>
1998
>>
Camaro V6-3.8L VIN K
>>
Repair and Diagnosis
>>
Locations
>>
Component Locations
>>
Modules
>>
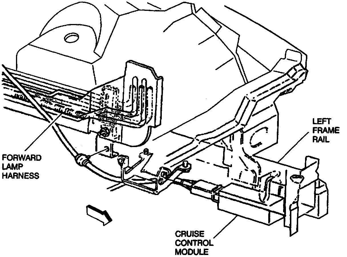
Cruise Control Module
Cruise Control Module
Left Frame Rail: