Curiosii for ever!
: Car repair manuals for everyone.
Home
>>
Chevrolet
>>
1998
>>
Camaro V6-3.8L VIN K
>>
Repair and Diagnosis
>>
Diagrams
>>
Exploded Views
>>
Engine
>>
Intake Manifold
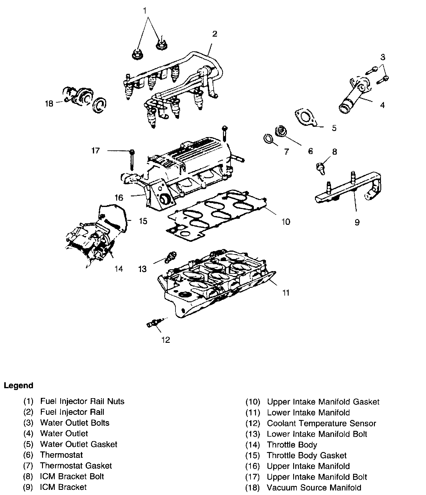
Intake Manifold