Curiosii for ever!: Car repair manuals for everyone.

Window Regulator Replacement

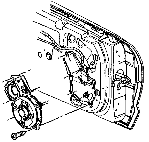
Window Regulator Replacement: Removal Procedure:




REMOVAL PROCEDURE

CAUTION: Disconnect the power window switch when working inside the drivers door When operated, the Express Down feature allows the door window to drop very quickly, which could cause personal injury.

IMPORTANT: The regulator and the motor are serviced as an assembly.

1. Remove the door trim panel.

Window Regulator Replacement: Removal Procedure:




2. Remove the water deflector.

Window Regulator Replacement: Removal Procedure:




3. Remove the radio speaker assembly from the door.

Window Regulator Replacement: Removal Procedure:




4. Remove the plugs from the window clamp sight access holes.

Window Regulator Replacement: Removal Procedure:




5. Remove the door window.

Window Regulator Replacement: Removal Procedure:




6. Disconnect the regulator motor electrical connector.

Window Regulator Replacement: Removal Procedure:




7. Remove the front plug from under the bottom of the door.

Window Regulator Replacement: Removal Procedure:




8. Mark the location of the regulator to aid in reassembly.
9. Remove the nuts from the regulator lower channel studs.
10. Remove the nuts from the regulator motor studs.
11. Remove the nuts from the upper regulator channel studs.
12. Fold the regulator and remove the regulator through the door inner opening.

Window Regulator Replacement: Installation Procedure:




INSTALLATION PROCEDURE

CAUTION: Disconnect the power window switch when working inside the drivers door. When operated, the Express Down feature allows the door window to drop very quickly, which could cause personal injury.

1. Adjust the regulator jack screws to match the old regulator if replacing the regulator.
2. Fold the regulator and insert the folded regulator into the door with the motor forward.

Window Regulator Replacement: Installation Procedure:




3. Position the motor studs through the door inner panel.
4. Install the nuts to the motor studs.

Tighten

NOTE: Tighten the regulator motor nuts to 10 N.m (89 lb in). Refer to Fastener Notice.

Window Regulator Replacement: Installation Procedure:




5. Install the regulator channel studs through the holes in the door.
6. Install the nuts to the regulator channel studs in the following order:
6.1. Upper front.
6.2. Lower front.
6.3. Upper rear.
6.4. Lower rear.

7. Tighten the regulator channel stud nuts.

Tighten
Tighten the regulator channel stud nuts to 10 N.m (89 lb in).

Window Regulator Replacement: Installation Procedure:




8. Connect the electrical connector to the motor.

Window Regulator Replacement: Installation Procedure:




9. Reconnect the window switch and raise the regulator to the full up position.

Window Regulator Replacement: Installation Procedure:




10. Install the window.
11. Adjust the window to align with door opening.

Window Regulator Replacement: Installation Procedure:




12. Install the plugs in the window clamp sight access holes.

Window Regulator Replacement: Installation Procedure:




13. Install the radio speaker assembly.

Tighten
Tighten the speaker assembly screws to 2.5 N.m (22 lb in).

Window Regulator Replacement: Installation Procedure:




14. Install the water detector.

Window Regulator Replacement: Installation Procedure:




15. Install the door trim panel.
16. Check the window fit, adjust as necessary.
17. Install the access plugs into the bottom of the door.