Curiosii for ever!
: Car repair manuals for everyone.
Home
>>
Chevrolet
>>
1997
>>
Corvette V8-5.7L VIN G
>>
Repair and Diagnosis
>>
Locations
>>
Component Locations
>>
Miscellaneous Components
>>
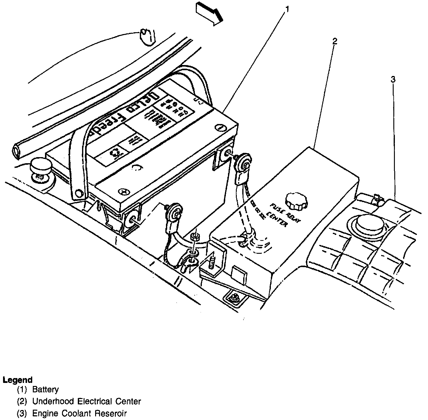
Battery
Battery
RH Rear Of The Engine Compartment:
RH side rear of the engine compartment, rearward of the Wheelhouse