Curiosii for ever!
: Car repair manuals for everyone.
Home
>>
Chevrolet
>>
1997
>>
Corvette V8-5.7L VIN G
>>
Repair and Diagnosis
>>
Diagrams
>>
Exploded Views
>>
Manual Transmission/Transaxle
>>
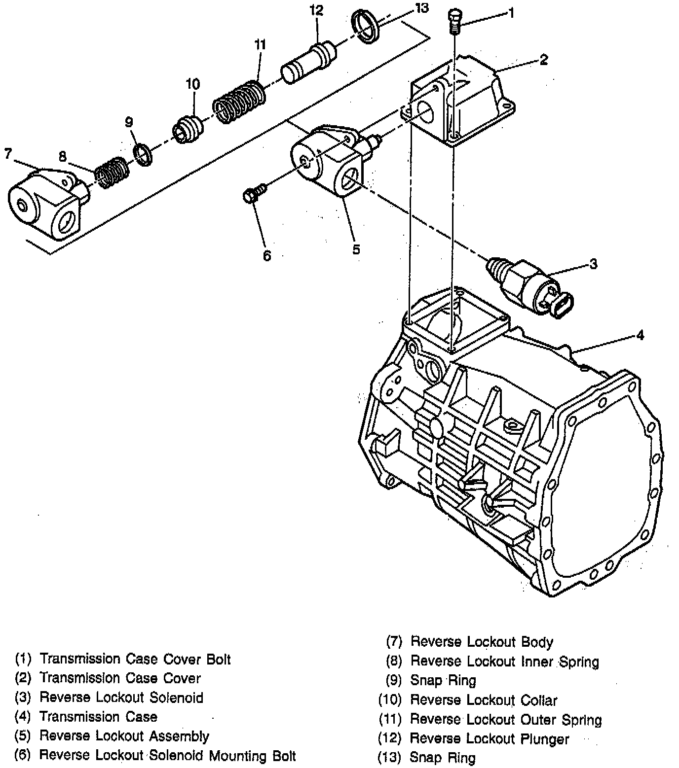
Reverse Lockout
Reverse Lockout