Curiosii for ever!
: Car repair manuals for everyone.
Home
>>
Chevrolet
>>
1997
>>
Camaro V6-3.8L VIN K
>>
Repair and Diagnosis
>>
Powertrain Management
>>
Transmission Control Systems
>>
Diagrams
>>
Electrical Diagrams
>>
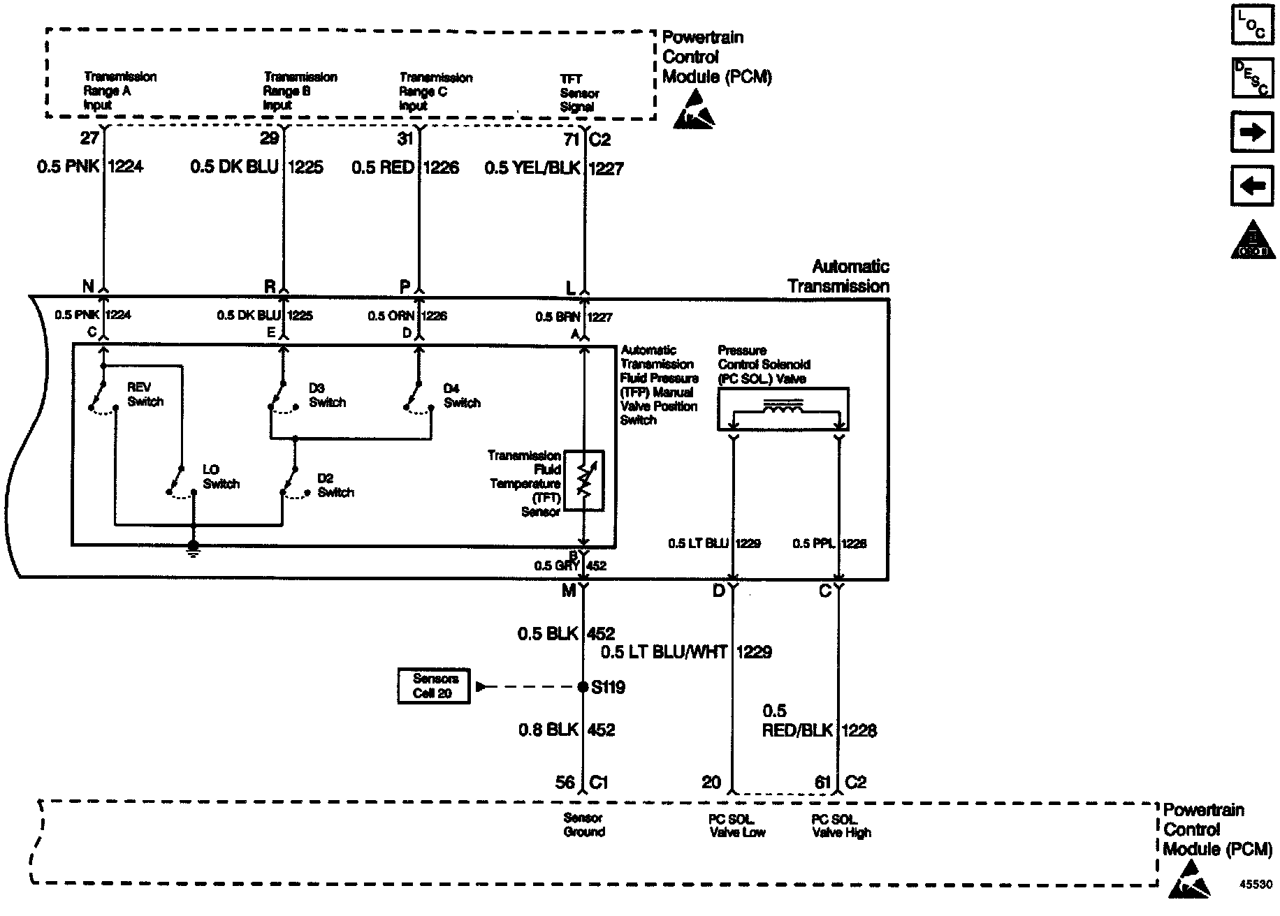
Range Switch
Range Switch
Wiring Diagram: