Curiosii for ever!
: Car repair manuals for everyone.
Home
>>
Chevrolet
>>
1997
>>
Camaro V6-3.8L VIN K
>>
Repair and Diagnosis
>>
Diagrams
>>
Electrical Diagrams
>>
Powertrain Management
>>
System Diagram
>>
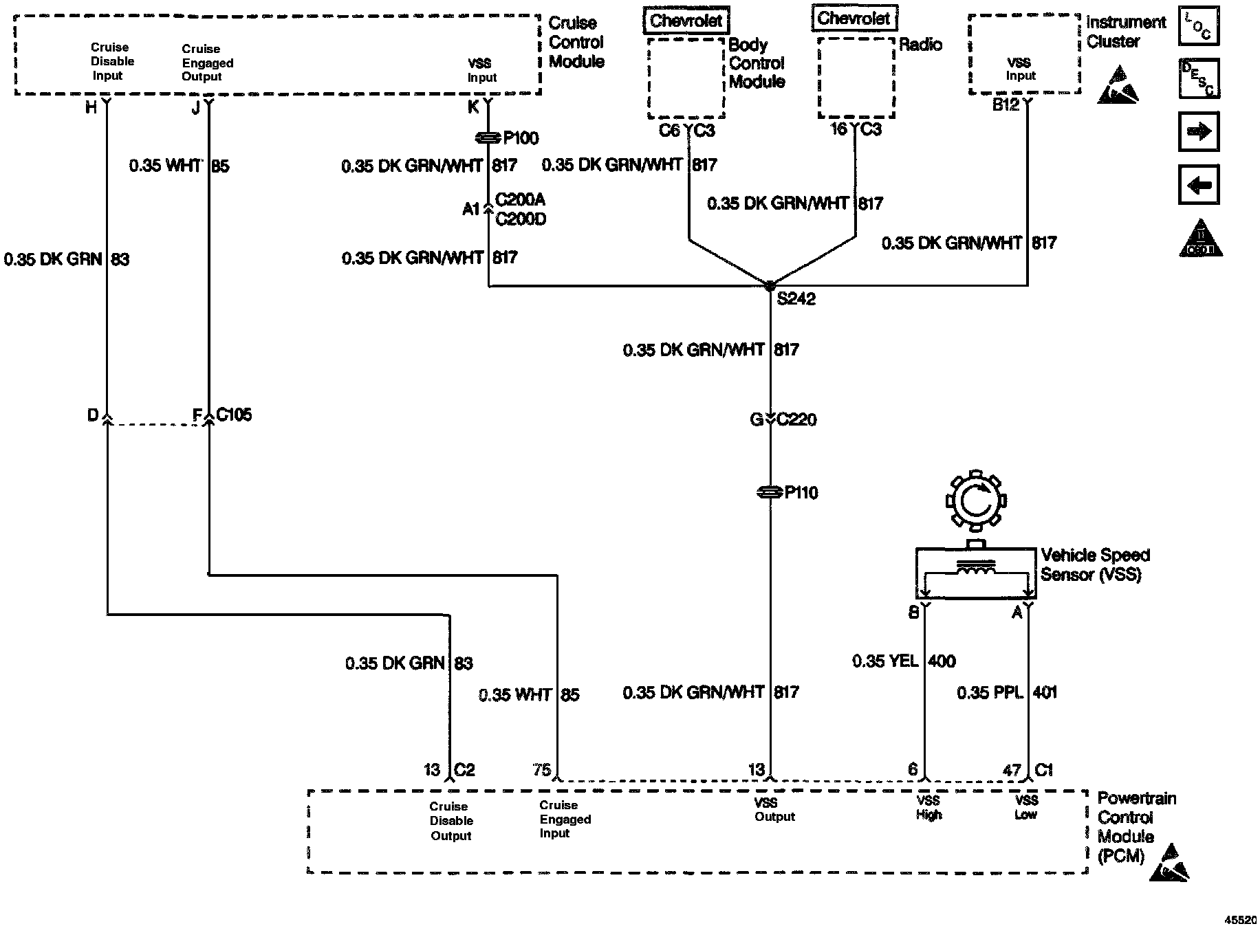
Cruise Control Module & Vehicle Speed Sensor Assembly
Cruise Control Module & Vehicle Speed Sensor Assembly
Wiring Diagram: