Curiosii for ever!: Car repair manuals for everyone.

Steering Column - Tilt Column

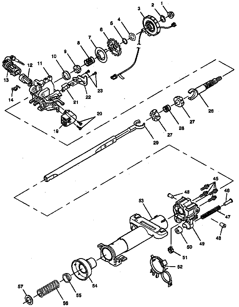
Exploded View Of Tilt Steering Column:






1- NUT, HEX LOCKING (M14x1.5)
2- RING, RETAINING
3- COIL ASM, SIR
4- WASHER, WAVE
5- RING, RETAINING
6- LOCK, SHAFT
7- CAM ASM, T/SIG CANCEL
8- SPRING, UPPER BEARING
9- SEAT, UPPER BEARING INNER RACE
10- RACE, INNER
11- HOUSING ASM, BRG &
12- ACTUATOR ASM, IGNITION LOCK
13- LOCK CYL SET, STRG COLUMN
14- SPRING, LOCK PRE-LOAD
19- SWITCH ASM, IGNITION
20- SCREW, TAPPING
21- BOLT ASM, LOCK
22- BRACKET, LOCK BOLT SUPPORT
23- SCREW, TAPPING
26- SHAFT ASM, RACE & UPPER
27- SPHERE, CENTERING
28- SPRING, JOINT PRELOAD
29- SHAFT ASM, LOWER
45- SCREW, SUPPORT
46- GUIDE, SPRING
47- SPRING, WHEEL TILT
48- PIN, PIVOT
49- SUPPORT ASM, STRG COL
50- RETAINER, SPRING
51- CLIP, WIRE RESTRAINT
52- STRAP, WIRE
53- JACKET ASM, STRG COL
54- BEARING ASM, ADAPTER &
55- SEAT, LOWER BEARING
56- SPRING, LOWER BEARING
57- RETAINER, LOWER SPRING


SERVICE KITS
201- SPRING SERV KIT, TILT COLUMN-INCLUDES: 9,10,47
202- SPHERE SERV KIT, TILT COLUMN-INCLUDES: 27,28
203- GREASE SERV KIT, (SYNTHETIC)